
10x10ȫͨÎÞÛÕ±Õ¾ØÕó¹â¿ª¹Ø
10x10 MEMS ¹â½»Ö¯ÅþÁ¬(¹â)ϵÁж¼Êǹ⿪¹ØÒªÇóµÄ½â¾ö¼Æ»®Ó¦ÓùâÏËÒDZí»òÏàͬ¡£´Ë¹â¿ª¹ØÊÇ 3D ¹âѧÅþÁ¬ÉèÖÃµÄ MEMS ¿ª¹ØÍøÂç,¿ÉʵÏÖ¹â·Ôڹ⿪¹ØÄÚí§ÒâÎÞÛÕ±ÕÇл»,MEMSÊÖÒÕµÄÓ¦ÓÃÌṩÁ˵ͱ¾Ç®ºÍÓÅÒìµÄ¹âѧÐÔÄÜ¡£
Ó¦ÓóÌÐò
¹âÏËÍøÂ翪¹Ø
¹âÏ˽»Ö¯ÅþÁ¬
¹âÏ˲âÊÔºÍÕÉÁ¿
Êý¾ÝÖÐÐĹâѧ¿ª¹Ø
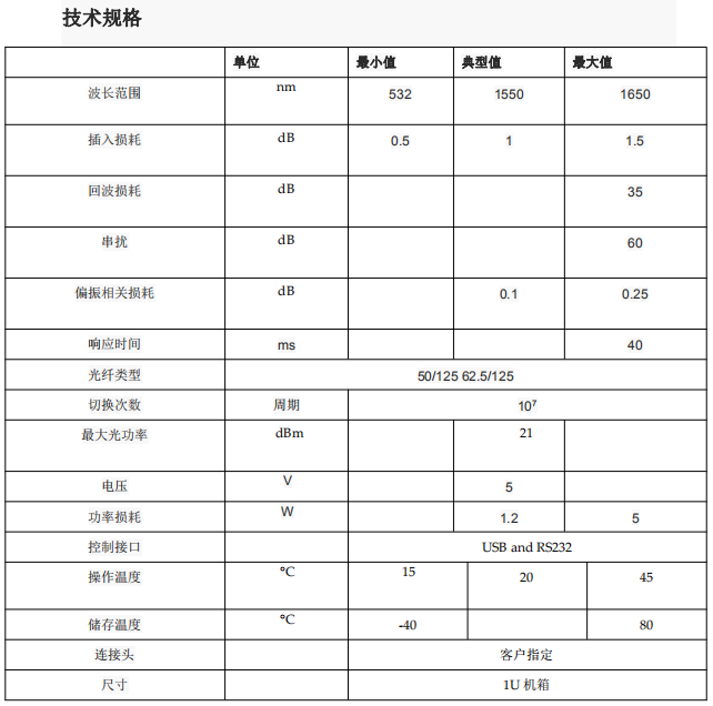
ÌØÕ÷:
µÍ²åÈëÏûºÄ
·ÇÛÕ±Õ
Íêȫ˫Ïò
µ¥»ò¶àģʽ¹âÏË
±ê×¼¶Ë¿ÚÊýÄ¿
×Ô½ç˵µÄ¶Ë¿ÚÊý NxM
ÐÎò:
¹â½»Ö¯ÅþÁ¬ÊÇʹÓà Sercalo ½¨Éè MEMS ÊÖÒÕ¡£
MEMS ¾µ×ÓÊÇ×ã¹»Îȹ̲Ù×÷¿ª¹ØÔÚ¿ª»·¡£
¿ª¹ØÍêȫ˫Ïò͸Ã÷µÄ²¨³¤¹æÄ£
×°ÖõÄÏËά¡£
¿ª¹Ø½á¹¹·ÇÛÕ±Õ:ÈκοÉÒÔÈ¥ÈκÎÊäÈë¶Ë¿Ú
Ãâ·ÑµÄÊä³ö¶Ë¿Ú
ÊÂÇéζȣ¨¶àÖÖζȼ¶±ð¿ÉÑ¡£©:
ÉÌÓü¶£º0~+7¶È
À©Õ¹¼¶£º-10~+80¶È
¹¤Òµ¼¶£º-40~+85¶È
¾üÆ·¼¶£º-55~+85¶È

Important Notice
Performance figures, data and any illustrative material provided in this data sheet are typical and must be specifically confirmed in writing by F-tone Networks before they become applicable to any particular order or contract. In accordance with the F-tone Networks policy of continuous improvement specifications may change without notice.
The publication of information in this data sheet does not imply freedom from patent or other protective rights of F-tone Networks or others. Further details are available from any F-tone Networks sales representative.