beat365

±ê×¼¹âÄ£¿é

10Gbps MiniSFF CWDM Transceiver

10Gbps MiniSFF CWDM Transceiver

0.0/5 rating (0 votes)

Description

FEATURES
¡ñ Surface mount I/O pins for high speed signal integrity
¡ñ All metal body, solder or screw mount options
¡ñ Industrial Temp range, vibration tolerant design
¡ñ Up to 10km links
¡ñ 2-Fiber MiniSFF LC Transceiver
¡ñ 1271¡«1611nm CWDM Cooled DML transmitter
¡ñ Multimode 850nm Receiver
¡ñ Single 3.3V Power Supply
¡ñ Operating case temperature:
       FT-95-RS-CxxR851X-02D : 0¡æ~+70¡æ
       FT-95-RS-CxxR851X-02DI : -40¡æ~+85¡æ

APPLICATIONS
¡ñ CWDM optic fiber transmission system

CWDM optic fiber transmission system

AbsoluteMaximumRatings

Parameter

Symbol

Min.

Max.

Units

Note

StorageTemperature

Ts

-40

85

¡æ

-

PowerSupplyVoltage

Vcc

-0.5

4

V

-

SolderingTemperature

-

-

260

¡æ

10 seconds on leads only

InputVoltage

Vin

GND

Vcc

V

-

RecommendedOperatingConditions

Parameter

Symbol

Min.

Typ.

Max.

Units

PowerSupplyVoltage

Vcc

3.1

3.3

3.5

V

Operating Temperature

Industrial

-40

-

85

¡æ

Standard

0

-

70

¡æ

DataRate

-

-

10

-

Gbps

PowerSupplyCurrent

Icc

-

-

450

mA

TransmitterSpecifications(3.1V<Vcc<3.5V)

Parameter

Symbol

Min.

Typ.

Max.

Units

Optical

Center Wavelength

λC

λ-6.5

λ+6.5

nm

spectral width

Δλ

1

nm

Average Optical Output Power

Po

-3

-

+2

dBm

Laser Off Power

Poff  

-

-

-30

dBm

ExtinctionRatio

ER

3.5

-

-

dB

Side Mode Suppression Ratio

SMSR

30

-

-

dB

Electrical

DifferentialInputVoltage

VIH-VIL

0.3

-

2.2

V

ReceiverSpecifications(-3.1V<Vcc<3.5V)

Parameter

Symbol

Min.

Typ.

Max.

Units

NOTE

Optical

Receiver Sensitivity

Sen

-

-

-10

dBm

1

MaximumInputPower(Saturation)

PMAX

0

-

-

dBm

SignalDetect--Asserted

Pa

-

-

-11

dBm

SignalDetect--Deasserted

Pd

-30

-

-

dBm

SignalDetect--Hysteresis

Phys

0.5

-

-

dB

WavelengthofOperation

λ

700

900

nm

Electrical

DifferentialOutputVoltage

VOH–VOL

0.4

-

2

V

Note1£ºMeasured with average power; BER < 10-12 and PRBS 231 -1.

Digital Diagnostic Memory MapC20

Pins Assignment

C20

Function definition

PIN No.

Name

Function

Voltage Level

1

TD+

Data IN+

CML

2

VEETX

Transmitter GND

N/A

3

TD-

Data IN-

CML

4

VCCTX

Transmitter VCC

N/A

5

SDA

The data line of two wire serial interface

OpenDrain

6

SCL

The clock line of two wire serial interface

Open Drain

7

RD+

Data OUT+

CML

8

VCCRX

Receiver VCC

N/A

9

RD-

Data OUT-

CML

10

VEERX

Receiver GND

N/A

Recommended Circuit

C20

Notes:

1) L1 and L2 = MuRata BLM21A601S or equivalent (600Ω at 100MGz or better).

2) Route the differential pairs (TX +/- and RX +/-) together using 100Ω impedance matched traces.

3) Use separate power supply filtering for VCCT and VCCR, as shown.

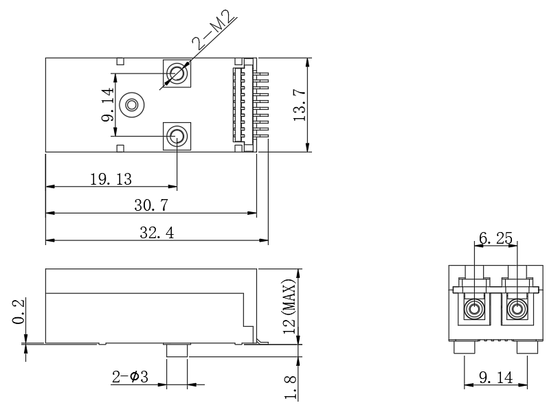
Outline SpecificationC26

NOTE: Unspecified tolerance:± 0.25mm

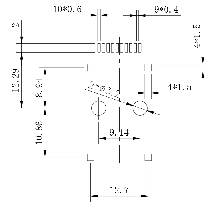
Recommended PCB Layout

C26

NOTE: Unspecified tolerance:± 0.25mm

Installation Diagram

C26

Ordering Information

FT-95-RS-CxxR851X-02D      XX: 1271¡«1611nm CWDM Wavelength                           

P/No.

Temp.

(¡æ)

Wavelength

(nm)

Dist.

(km)

TX

Power

(dBm)

RX

Sens

(dBm)

@850nm

Package

Bit Rate

(Gb/s)

Volt.

(V)

FT-95-RS-C27R851X-02D

0~70

1271

10

-3 to +2

-10

LC

10

3.3

FT-95-RS-C29R851X-02D

0~70

1291

FT-95-RS-C31R851X-02D

0~70

1311

FT-95-RS-C33R851X-02D

0~70

1331

FT-95-RS-C35R851X-02D

0~70

1351

FT-95-RS-C37R851X-02D

0~70

1371

FT-95-RS-C39R851X-02D

0~70

1391

FT-95-RS-C41R851X-02D

0~70

1411

FT-95-RS-C43R851X-02D

0~70

1431

FT-95-RS-C45R851X-02D

0~70

1451

FT-95-RS-C47R851X-02D

0~70

1471

FT-95-RS-C49R851X-02D

0~70

1491

FT-95-RS-C51R851X-02D

0~70

1511

FT-95-RS-C53R851X-02D

0~70

1531

FT-95-RS-C55R851X-02D

0~70

1551

FT-95-RS-C57R851X-02D

0~70

1571

FT-95-RS-C59R851X-02D

0~70

1591

FT-95-RS-C61R851X-02D

0~70

1611

FT-95-RS-CxxR851X-02DI      XX: 1271¡«1611nm CWDM Wavelength            

P/No.

Temp.

(¡æ)

Wavelength

(nm)

Dist.

(km)

TX

Power

(dBm)

RX

Sens

(dBm)

@850nm

Package

Bit Rate

(Gb/s)

Volt.

(V)

FT-95-RS-C27R851X-02DI

-40~85

1271

10

-3 to +2

-10

LC

10

3.3

FT-95-RS-C29R851X-02DI

-40~85

1291

FT-95-RS-C31R851X-02DI

-40~85

1311

FT-95-RS-C33R851X-02DI

-40~85

1331

FT-95-RS-C35R851X-02DI

-40~85

1351

FT-95-RS-C37R851X-02DI

-40~85

1371

FT-95-RS-C39R851X-02DI

-40~85

1391

FT-95-RS-C41R851X-02DI

-40~85

1411

FT-95-RS-C43R851X-02DI

-40~85

1431

FT-95-RS-C45R851X-02DI

-40~85

1451

FT-95-RS-C47R851X-02DI

-40~85

1471

FT-95-RS-C49R851X-02DI

-40~85

1491

FT-95-RS-C51R851X-02DI

-40~85

1511

FT-95-RS-C53R851X-02DI

-40~85

1531

FT-95-RS-C55R851X-02DI

-40~85

1551

FT-95-RS-C57R851X-02DI

-40~85

1571

FT-95-RS-C59R851X-02DI

-40~85

1591

FT-95-RS-C61R851X-02DI

-40~85

1611

 

 

 

 

 

 

Important Notice

Performance figures, data and any illustrative material provided in this data sheet are typical and must be specifically confirmed in writing by F-tone Networks before they become applicable to any particular order or contract. In accordance with the F-tone Networks policy of continuous improvement specifications may change without notice.   

The publication of information in this data sheet does not imply freedom from patent or other protective rights of F-tone Networks or others. Further details are available from any F-tone Networks sales representative.

Ììϲú»¯¹âÄ£¿é CFP2¹âÄ£¿é JYSK¹âÏËÅþÁ¬Æ÷ ˼¿Æ¹âÄ£¿é Marconi¹âÄ£¿é Test Equipment & Others ¹âÏË·¨À¼ÊÊÅäÆ÷
SFPÌìϲú¹âÄ£¿é CFP4¹âÄ£¿é J599IIIµçÅþÁ¬Æ÷ ˼¿ÆFE SFP ²©´ï¹âÄ£¿é ±£Æ«¹âÆ÷¼þ ¹âÏËÌøÏß&βÏË
1x9Ììϲú¹âÄ£¿é CFP8 400Gbps S6¾ØÐÎÅþÁ¬Æ÷ ˼¿ÆSFP+¹âÄ£¿é Íø¼þ¹âÄ£¿é In-line Depolarizer FTTAÀ­Ô¶»ùÕ¾¹âÏËÌøÏß
ÌØÖÖ¹âÄ£¿é CDFP 400Gbps S7¾ØÐÎÅþÁ¬Æ÷ ˼¿ÆXFP¹âÄ£¿é Nortel¹âÄ£¿é In-line Polarizer MPO/MTP¸ßÃܶÈϵÁÐ
25G~400G¸ßËÙ¹âÄ£¿é MicroQSFP¹âÄ£¿é GYM¹âÏËÅþÁ¬Æ÷ ˼¿ÆCFP¹âÄ£¿é Moxa¹âÄ£¿é IPBC/S ¾üÓÃÒ°Õ½·ÀË®¹âÏËÌøÏß
200km³¬³¤¾à¹âÄ£¿é DSFP¹âÄ£¿é J599III¹âÏËÅþÁ¬Æ÷ ˼¿ÆQSFP-DD ¹âÄ£¿é º£¿µÍþÊÓHIKVISION¹âÄ£¿é PBC/S ÌØÖÖ¹âÏ˹âÀÂ
5GÒÆ¶¯Í¨Ñ¶¹âÄ£¿é FT-61¹âÄ£¿é Ë®ÃܹâÀÂÅþÁ¬Æ÷ ˼¿ÆQSFP+¹âÄ£¿é McAfee¹âÄ£¿é PM BPF ÌØÖÖÏßÀÂ×é¼þ
SFP¹âÄ£¿é OLT¹âÄ£¿é ¹âÏËÅþÁ¬Æ÷ת½ÓÆ÷ ˼¿ÆGE SFP SMCÖǰî¹âÄ£¿é PM Circulator ͨÓùâÀ¹âÏËÌøÏß
1.25G SFP ONU¹âÄ£¿é FT-A4ϵÁÐÅþÁ¬Æ÷ ˼¿ÆSFP OC3 °²»ª¸ßAvago¹âÄ£¿é PM Collimator MXC? ¶àо¹âÀÂ×é¼þ
CWDM SFP PLCC¹âÄ£¿é USB¹âÏËÑÓÉìÏß Ë¼¿ÆSFP OC12 °²»ª¸ßAvago 1x9¹âÄ£¿é PM Coupler PRIZM? LIGHTTURN?×é¼þ
DWDM SFP RJ¹âÄ£¿é HDMI ˼¿ÆSFP OC48 °²»ª¸ßAvago SFF¹âÄ£¿é PM CWDM ¹âÏË»úÏä
BIDI-SFP SFF¹âÄ£¿é ÌØÖÖµçÅþÁ¬Æ÷ ˼¿ÆGBIC¹âÄ£¿é °²»ª¸ßAvago SFP¹âÄ£¿é PM DWDM SMA-ÌØÊâÏËоϵÁÐ
SGMII SFP SNAP12¹âÄ£¿é Ô²ÐÎÅþÁ¬Æ÷ ˼¿ÆX2¹âÄ£¿é °²»ª¸ßAvago QSFP28 ¹âÄ£¿é PM Faraday mirror ÌØÊâÌÖÂÛϵÁÐ
Video SFP¹âÄ£¿é USOT¹âÄ£¿é ¾ØÐεçÅþÁ¬Æ÷ ˼¿ÆXENPAK¹âÄ£¿é °²»ª¸ßAvago QSFP+¹âÄ£¿é PM Fiber mirror îø×°ÏµÁÐ
Copper SFP X2¹âÄ£¿é ÌØÖÖ¹âÏ˹âÀ »ªÈý¹âÄ£¿é °²»ª¸ßAvago SNAP12¹âÄ£¿é PM Filter Coupler ¹âñîºÏÆ÷Coupler
µÍ¹¦ºÄSFP Xenpak¹âÄ£¿é ÌØÖÖ¹âÏË »ªÈýSFP °²»ª¸ßAvago ÆäËû¹âÄ£¿é PM Fused Coupler ƤÏËÌøÏßϵÁÐ
SFP+¹âÄ£¿é ¹âµç±àÂëÆ÷Ä£¿é ¹âÏËÆ÷¼þ »ªÈýSFP+ °²»ª¸ß Embedded¹âÄ£¿é PM FWDM ´óоÊýϵÁÐ
CWDM SFP+ ¹âÄ£¿é²âÊÔ°å ÌØÖÖ¹âÀ¼°¹âÀÂ×é¼þ »ªÈýSFP28 ¹âÄ£¿é °²»ª¸ßFiber Optics¹âÄ£¿é PM Isolator »ØÂ·ÌøÏßϵÁÐ
DWDM SFP+ ¹âÄ£¿éÁý×Ó×ù×Ó ¹âź »ªÈýQSFP+¹âÄ£¿é Industrial Transmitters and Receivers PM Isolator WDM ±£Æ«¹âÏËϵÁÐ
BIDI SFP+ DAC ¸ßËÙÏßÀ ±ê×¼¹âñî »ªÈýQSFP28 ¹âÄ£¿é Optical Transceivers PM PLC ¹âͨѶ×é¼þ
Tunable SFP+ ¹âÏË»¬»·|¹âµç»¬»· SMA²âÊÔÏßÀ »ªÈý CFP¹âÄ£¿é ·Éͨ¹âÄ£¿é PM Tap Isolator ¹â¸ôÀëÆ÷isolator
16GFC SFP+ ¹âÀ³µ OSA »ªÈý CXP¹âÄ£¿é Finisar¹âÄ£¿é PM Tap Isolator WDM ÆäËü¹âÆ÷¼þ
25GE SFP+ ¾üÆ·¼¶DIN¹âÄ£¿é PON BOSA »ªÈý CX4¸ßËÙµçÀ ·ÆÄáÈøFinisar SFF¹âÄ£¿é PM VOA ¿Éµ÷Â˲¨Æ÷
32GFC SFP+ ËÜÁϹâÏËÄ£¿é Pigtailed PD »ªÈýXFP yellobrik SDI¹âÄ£¿é ÆäËü±£Æ«Æ÷¼þ ¿Éµ÷Ë¥¼õÆ÷
SFP28¹âÄ£¿é Ìæ»»°²»ª¸ß¹¤ÒµµçÁ¦¹âÄ£¿é RFoG BOSA »ªÈýGE SFP ÂÞ¿ËΤ¶ûAB¹âÄ£¿é ¹â·Ö·Æ÷ À­×¶ñîºÏÆ÷
SFP56¹âÄ£¿é ¼æÈݹú²ú»¯Ìæ»»°²»ª¸ß¹âñî TO-CAN »ªÈýFE SFP Â޽ܿµ¹âÄ£¿é FBTÀ­×¶·Ö·Æ÷ ÎÞÔ´¹âÆ÷¼þ
SFP-DD¹âÄ£¿é É䯵¹âÄ£¿é ¹âÏËζȴ«¸ÐÆ÷ »ªÈýSFP STM-4 ÑлªAdvantech¹âÄ£¿é PLC ¹â·Ö·Æ÷ ·¨À­µÚÐýת¾µ
QSFP¹âÄ£¿é ΢ÐͶà·¹âÄ£¿é ¹âÏËÓ¦±ä´«¸ÐÆ÷ »ªÈýSFP STM-16 Ììϲú»¯¹âÆ÷¼þ PLCÆ½Ãæ²¨µ¼¹â·Ö·Æ÷ ²¨·Ö¸´ÓÃÆ÷
QSFP+ ¹âÄ£¿é ÌØÖÖ¹âÄ£¿é ¹âÏ˼ÓËÙÂÊ´«¸ÐÆ÷ »ªÈýGBIC¹âÄ£¿é FT-XSϵÁР¹ú²ú»¯°ëµ¼Ìå¹â·Å´óÆ÷ ¹â¿ª¹Ø AWG DWDM²¨·Ö¸´ÓÃÆ÷
QSFP28¹âÄ£¿é HPC²¢ÐйâÄ£¿é ¹âÏßѹÁ¦´«¸ÐÆ÷ »ªÈýBIDI¹âÄ£¿é ¹âÏËÕóÁÐϵÁР̽²âÆ÷ Fused WDM²¨·Ö¸´ÓÃÆ÷
QSFP56¹âÄ£¿é LC-RJ³¬Ð¡Ð͵¥Â·¹âÄ£¿é ¹âÏËÎ»ÒÆ´«¸ÐÆ÷ »ªÈýXENPAK¹âÄ£¿é ¸ßËÙÄ£¿é΢ÅþÁ¬ ¹â¹¦ÂÊ¼Æ FWDM²¨·Ö¸´ÓÃÆ÷
QSFP112 400G¹âÄ£¿é LCC48¹âÄ£¿é ¹âÏËÓ¦Á¦´«¸ÐÆ÷ »ªÈýEPON OLT SFP Ïà¹ØÍ¨Ñ¶¹âÅþÁ¬ È«¹âÏËÏàλÀ­ÉìÆ÷ Mini΢ÐÍ´Ö²¨·Ö¸´ÓÃÆ÷
QSFP224¹âÄ£¿é LC³¬¶ÌÐ͹âÄ£¿é ¹âÏË´«¸ÐÆÊÎöÒÇ Öк½¹âµç¹âÄ£¿é ¹è¹â×ÓÆ÷¼þ¹âÁ´½Ó ¹âÏË×¼Ö±Æ÷ ¹â·Ö²å¸´ÓÃÆ÷
QSFP-DD¹âÄ£¿é SNAP12¹âÄ£¿é ¹âÏËÂþÑÜʽ²âÎÂÖ÷»ú ÖÐÐ˹âÄ£¿é Bio-Medical Equipment ¹âË¥¼õÆ÷ϵÁÐ ÆäËüÖÖÀನ·Ö¸´ÓÃÆ÷²úƷϵÁÐ
QSFP-DD800¹âÄ£¿é ΢Ð͹âÄ£¿é ¹âÏ˲¼ÀïÔ¨ÐźŽâµ÷ÒÇ Èñ½Ý¹âÄ£¿é Components for Fiber Laser ¹âÆ«Õñ¿ØÖÆÆ÷ ÷缯²¨·Ö¸´ÓÃÆ÷
OSFP 400Gbps ΢ÐͿɲå°ÎBGA¹âÄ£¿é ÂþÑÜʽ¹âÏËÉùÕñÐźŽâµ÷ÒÇ »ÝÆÕ¹âÄ£¿é Components for Fiber sensing ¹âÔ´ ´Ö²¨·Ö¸´ÓÃÆ÷
OSFP 800G¹âÄ£¿é ±íÌùʽµ¥Â·¹âÄ£¿é Camera Link ÉñÖÝÊýÂë¹âÄ£¿é Components for Optical Network ¹â»·ÐÐÆ÷Circulator WDMÄ£¿é
OSFP 1.6T¹âÄ£¿é ÌØÖÖ¹âÏËÅþÁ¬Æ÷ ¹âÄ£¿é֪ʶ Juniper¹âÄ£¿é EDFA¹âÏË·Å´óÆ÷ ¹âÏËÑÓ³ÙÏß Â˲¨Æ÷
HSFP 1.6T~12.8T¹âÄ£¿é J599¹âÏ˲åÍ·²å×ù »ªÎª¹âÄ£¿é Extreme¹âÄ£¿é ¹âÏË´«¸ÐÆ÷ ɫɢÅ⳥ģ¿é µûÐμ¤¹âÆ÷
XFP¹âÄ£¿é ODC¹âÏËÅþÁ¬Æ÷ϵÁÐ »ªÎªGE SFP Brocade¹âÄ£¿é High power Component ¹âÏË·Å´óÆ÷ ¹âñîºÏÆ÷&·Ö·Æ÷
CWDM XFP ÆäËûÌØÖÖ¹âÏËÅþÁ¬Æ÷ »ªÎªQSFP+¹âÄ£¿é D-Link¹âÄ£¿é HP In-line Polarizer ÎÞÔ´´«Êäת»»Æ÷ ¹âÏË»·ÐÎÆ÷&·¨À­µÚÐýת¾µ
DWDM XFP Ò°Õ½¹âÏËÅþÁ¬Æ÷ »ªÎªSFP+ ºÕ˼Âü¹âÄ£¿é HP Isolator ¹âÏ˼¤¹âÆ÷ ¹âÏ˸ôÀëÆ÷&²¨·Ö¸´ÓÃÆ÷
BIDI XFP ÌØÖÖ¹âµçÅþÁ¬Æ÷ »ªÎªQSFP28 °¢¶û¿¨ÌØÀÊѶ¹âÄ£¿é HP PBC/S ¹âµ÷ÖÆÆ÷ ¹âÏË·ÖÊøÆ÷&ºÏÊøÆ÷£¨PBS/PBC£©
1x9¹âÄ£¿é J599IIIÆéá«Æµ»ì×°ÅþÁ¬Æ÷ »ªÎªFE SFP Allied Telesis¹âÄ£¿é Pump Combiner ¹âµç̽²âÆ÷ ¹âÏ˹âÕ¤
CSFP¹âÄ£¿é NGC¹âÏËÅþÁ¬Æ÷ »ªÎªXFP Foundry¹âÄ£¿é HP Circulator ¹âÏËÆ«Õñ ¸ßËÙÏßÀÂ
CSFP+10G¹âÄ£¿é J599A6¹âÏËÅþÁ¬Æ÷ »ªÎªSFP OC12 Force10¹âÄ£¿é Pump laser protector ¹âÏËÂ˲¨Æ÷
CXP¹âÄ£¿é GYMB¹âÏËÅþÁ¬Æ÷ »ªÎªGBIC¹âÄ£¿é Blade¹âÄ£¿é Hybrid for EDFA ͬÖἤ¹âÆ÷
CFP¹âÄ£¿é J599III¹âµçÅþÁ¬Æ÷ »ªÎªSFP STM16 Linksys¹âÄ£¿é Test Equipment & Others ͬÖáµçÀÂ

028-85255257 | sales@f-tone.com

±ê׼ЭÒé¹âÄ£¿é²úÆ·

¼æÈÝЭÒé¹âÄ£¿é

ÆäËüÖÖÀà¹âÆ÷¼þ

ÊÖÒÕÖ§³Ö

¡¾ÍøÕ¾µØÍ¼¡¿¡¾sitemap¡¿