
10Gbps MiniSFFLC CWDM Transceiver
FEATURES
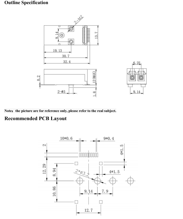
¡ñ Surface mount I/O pins for high speed signal integrity
¡ñ All metal body,solder or screw mount options
¡ñ Industrial Temp range, vibration tolerant design
¡ñ Up to 60km links
¡ñ 2-Fiber Mini SFFLC Transceiver
¡ñ 1470¡«1610nm CWDM Transmitter
¡ñ EML Cooled transmitter,APD photo-detector
¡ñ Single 3.3V Power Supply
¡ñ Operating case temperature:
FT-95-RS-Cxx1X-60 :0 ¡æto 70¡æ
FT-95-RS-Cxx1X-60I :-40 ¡æto 85¡æ
APPLICATIONS
¡ñ CWDM optic fiber transmission system



±¾²úƷΪFT-95-RSϵÁУ¬½öչʾ²¿·Ö²ÎÊý£¬ÈôÓÐÐèÒª£¬ÇëÁªÏµbeat365¡£
Important Notice
Performance figures, data and any illustrative material provided in this data sheet are typical and must be specifically confirmed in writing by F-tone Networks before they become applicable to any particular order or contract. In accordance with the F-tone Networks policy of continuous improvement specifications may change without notice.
The publication of information in this data sheet does not imply freedom from patent or other protective rights of F-tone Networks or others. Further details are available from any F-tone Networks sales representative.