
²úÆ·¼ò½é
beat365ÑÐÖÆµÄ1310nm³¬·øÉä·¢¹â¶þ¼«¹Ü£¨SLD£©ÊÇÒ»¿îÕë¶ÔÖÖÖÖ¹âѧÕÉÁ¿Ó¦ÓõķÇÏà¹Ø¹âÔ´£¬¾ßÓиßÁÁ¶È¡¢¿í¹âÆ×¡¢¶ÌÏà¹ØÐÔ¡¢µÍÇ¿¶ÈÔëÉùµÈÓŵ㡣¸Ã²úÆ·ºÜÊÇÊʺϹâÏËÍÓÂÝÒÇ¡¢¹âÏË´«¸Ð¡¢¹âÏËͨѶµÈÁìÓòµÄÓ¦Óá£
Ó¦ÓÃÁìÓò
¡ñ ¹âÏËÍÓÂÝÒÇ
¡ñ ¿í¹âÆ×
¡ñ µÍ¹âÆ×ÎÆ²¨
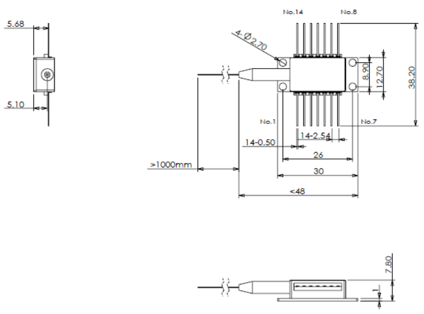
¡ñ 6PINµûÐηâ×°
¡ñ µ¥Ä£/±£Æ«¹âÏËÊä³ö
| ²ÎÊý | ·ûºÅ | ×îµÍÖµ | µä·¶Öµ | ×î´óÖµ | µ¥Î» |
| Êä³ö¹¦ÂÊ | Po | 500 | μW | ||
| ÊÂÇéµçÁ÷ | Ic | 100 | mA | ||
| ÖÐÐIJ¨³¤ | λc | 1290 | 1310 | 1330 | nm |
| ¹âÆ×°ë¿í | BW | 40 | nm | ||
| ÎÆ²¨ÏµÊý | Ripple | 0.2 | dB | ||
| Æ«Õñ¶È£¨µÍÆ«£© | PER | 1.2 | dB | ||
| Æ«Õñ¶È£¨¸ßÆ«£© | PER | 10 | dB | ||
| ÊÂÇéÎÂ¶È | Io | -45 | 25 | 70 | ¡æ |
| ´æ´¢ÎÂ¶È | Ts | -55 | 80 | ¡æ | |
| ²âÊÔÌõ¼þ£ºÇý¶¯µçÁ÷100mA£¬Î¶È25¡æ¡£ | |||||

Important Notice
Performance figures, data and any illustrative material provided in this data sheet are typical and must be specifically confirmed in writing by F-tone Networks before they become applicable to any particular order or contract. In accordance with the F-tone Networks policy of continuous improvement specifications may change without notice.
The publication of information in this data sheet does not imply freedom from patent or other protective rights of F-tone Networks or others. Further details are available from any F-tone Networks sales representative.