
²úÆ·¼ò½é
beat365ÑÐÖÆµÄ1550nm¸ßÐÔÄܵ¥Æµ¼¤¹âÆ÷»ùÓÚÍâÇ»Éè¼Æ£¬¾ßÓг¬Õ¹âÆ×Ïß¿í¡¢µÍ²¨³¤Î¶ÈÃô¸ÐÐÔ¡¢µÍRINºÍ¸ßÊä³ö¹â¹¦ÂʵÈÓŵ㡣¸ßÐÔÄÜ1550nmµ¥Æµ¼¤¹âÆ÷ºÜÊÇÊʺϹâÏË´«¸Ð¡¢¹âͨѶ¡¢¼¤¹âÀ×´ïºÍ¸ß¾«¶ÈÕÉÁ¿µÈÓ¦Óá£
Ó¦ÓÃÁìÓò
¡ñ ¹âÏË´«¸Ð
¡ñ ¼¤¹âÀ×´ï
¡ñ ¹âͨѶ
¡ñ ΢²¨¹â×Ó
ÊÖÒÕ²ÎÊý
| ²ÎÊý | ·ûºÅ | ×îµÍÖµ | µä·¶Öµ | ×î´óÖµ | µ¥Î» |
| ÖÐÐIJ¨³¤ | λc | 1550/ITU-T | nm | ||
| ±ßÄ£ÒÖÖÆ±È | SMSR | 40 | dB | ||
| Ïû¹â±È* | PER | 20 | dB | ||
| ãÐÖµµçÁ÷ | Ith | 40 | mA | ||
| TECζÈÉ趨 | TTEC | 25 | ¡æ | ||
| TECµçÁ÷ | ITEC | 2.5 | A | ||
| TECµçѹ | VTEC | 4.8 | V | ||
| ÊÂÇéÎÂ¶È | To | 0 | 25 | 50 | ¡æ |
| Öü´æÎÂ¶È | Ts | -25 | 80 | ¡æ | |
| ÐͺÅA²ÎÊý | ·ûºÅ | ×îµÍÖµ | µä·¶Öµ | ×î¸ßÖµ | µ¥Î» |
| Êä³ö¹¦ÂÊ | Po | 10 | mW | ||
| ¹âÆ×Ïß¿í | ?v | 5/15/50 | kHz | ||
| Ïà¶ÔÇ¿¶ÈÔëÉù | RIN | -140 | dB | ||
| ÐͺÅB²ÎÊý | ·ûºÅ | ×îµÍÖµ | µä·¶Öµ | ×î¸ßÖµ | µ¥Î» |
| Êä³ö¹¦ÂÊ | Po | 80 | mW | ||
| ¹âÆ×Ïß¿í | ?v | 100 | kHz | ||
| Ïà¶ÔÇ¿¶ÈÔëÉù | RIN | -160 | -155 | dB |
±¸×¢£º*.Ö»ÊÊÓÃÓÚ±£Æ«¹âÏËÊä³öµÄ¼¤¹âÆ÷
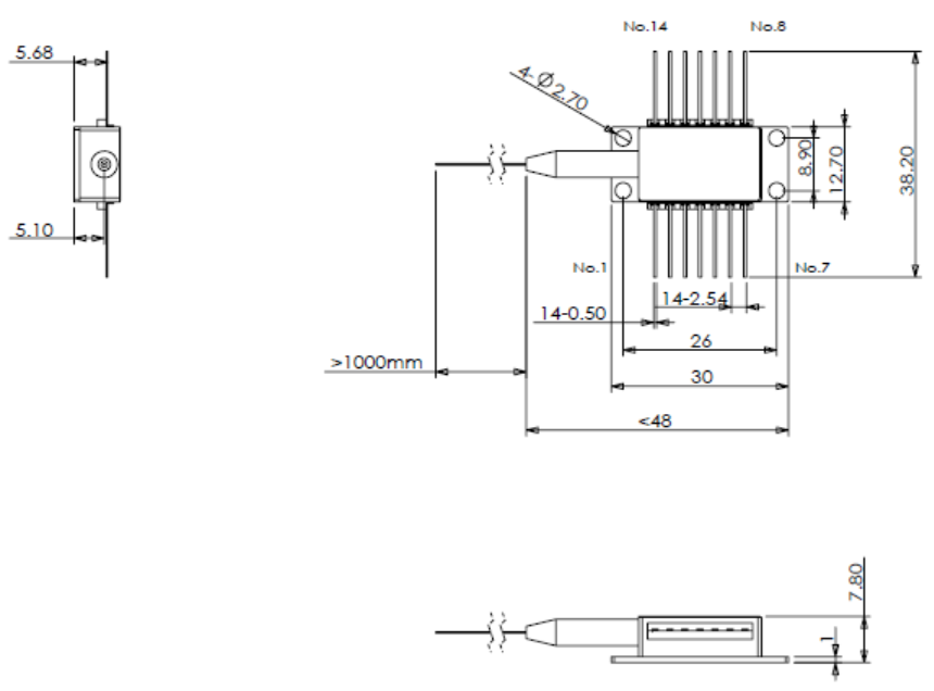
ÐÎ×´³ß´ç

Important Notice
Performance figures, data and any illustrative material provided in this data sheet are typical and must be specifically confirmed in writing by F-tone Networks before they become applicable to any particular order or contract. In accordance with the F-tone Networks policy of continuous improvement specifications may change without notice.
The publication of information in this data sheet does not imply freedom from patent or other protective rights of F-tone Networks or others. Further details are available from any F-tone Networks sales representative.