beat365

±ê×¼¹âÄ£¿é

2.5Gbpsµ¥Ä£ MiniSFFµ¥ÏËË«Ïò¹âÊÕ·¢Ò»ÌåÄ£¿é

2.5Gbpsµ¥Ä£ MiniSFFµ¥ÏËË«Ïò¹âÊÕ·¢Ò»ÌåÄ£¿é

0.0/5 rating (0 votes)

Description

²úÆ·ÌØÕ÷
¡ñ´¿¹ú²úÁ㲿¼þ
¡ñ¸ß¿É¿¿¡¢È«½ðÊôÍâ¿Ç¡¢¿¹Õñ¶¯Éè¼Æ
¡ñ3.3Vµ¥µçÔ´¹©µç
¡ñ¿íÊÂÇéζȹæÄ£
¡ñMiniSFF·â×°,FC½Ó¿Ú
¡ñ´«Êä¾àÀë:10km
¡ñSDÊä³ö¸æ¾¯
¡ñÊÂÇéζÈ:        
         FTFC-B1324-10-GC / FTFC-B1524-10-GC :  0¡æ~+70¡æ
         FTFC-B1324-10I-GC / FTFC-B1524-10I-GC :  -40¡æ~+85¡æ


²úÆ·Ó¦ÓÃ
¡ñÒÔÌ«Íø¡¢Sonet/SDH¡¢½»Á÷»úµÈÊý×Ö¹âÏËͨѶϵͳ
¡ñ¹âÏËͨѶÁ´Â·

¼«ÏÞÌõ¼þ

²ÎÊý

·ûºÅ

×îСֵ

×î´óÖµ

µ¥Î»

±¸×¢

Öü´æÎ¶È

Ts

-40

85

¡æ

-

ÊÂÇéµçѹ

Vcc

3

3.6

V

-

º¸½ÓζÈ

-

-

260

¡æ

º¸½Óʱ¼ä²»Áè¼Ý10Ãë

ÊäÈëµçѹ

Vin

GND

Vcc

V

-

ÍÆ¼öÌõ¼þ

²ÎÊý

·ûºÅ

×îСֵ

µä·¶Öµ

×î´óÖµ

µ¥Î»

ÊÂÇéµçѹ

Vcc

3.1

3.3

3.5

V

ÊÂÇéζÈ

ÉÌÒµ¼¶

0

-

70

¡æ

 ¹¤Òµ¼¶

-40

-

85

¡æ

ÊÂÇéËÙÂÊ

-

-

2.5

-

Gbps

ÊÂÇéµçÁ÷

Icc

-

-

300

mA

 

·¢Éä²ÎÊý  ( 3.1V < Vcc < 3.5V)

²ÎÊý

·ûºÅ

×îСֵ

µä·¶Öµ

×î´óÖµ

µ¥Î»

¹âѧ²ÎÊý

¹â¹¦ÂÊ

Po(1310TX/1550RX)

-9.5

-

0

dBm

Po(1550TX/1310RX)

-9.5

-

0

²¨³¤

λC(1310TX/1550RX)

1270

1310

1350

nm

λC(1550TX/1310RX)

1520

1550

1580

Êä³öÆ×¿í

Δλ(1310DFB)

-

-

1

nm£¨-20dB Width)

Δλ(1550DFB)

-

-

1

nm£¨-20dB Width)

Ïû¹â±È

ER

8.2

-

-

dB

Êä³öÑÛͼ

Complies with STM-16/OC-48 eye masks

ÑÛͼÉÏÉýʱ¼ä(20%~80%)

tr

-

-

0.15

ns

ÑÛͼϽµÊ±¼ä(20%~80%)

tf

-

-

0.15

ns

µçѧ²ÎÊý

²î·ÖÊäÈëµçѹ

VIH -VIL

0.3

-

2.2

V

·¢ÉäʹÄÜÊäÈëµçѹ

Disable

2

-

VCC

V

Enable

0

-

0.8

V

 

ÎüÊÕ²ÎÊý 

²ÎÊý

·ûºÅ

×îСֵ

µä·¶Öµ

×î´óÖµ

µ¥Î»

¹âѧ²ÎÊý

ѸËÙ¶È

Sen

-

-

-18

dBm

±¥ºÍ

PMAX

0

-

-

dBm

£¨»Ö¸´£©Signal Detect -- Asserted

Pa

-

-

-19

dBm

£¨¹Ø¶Ï£©Signal Detect -- Deasserted

Pd

-30

-

-

dBm

£¨Öͻأ©Signal Detect -- Hysteresis

Phys

1

-

4

dB

ÖÐÐIJ¨³¤

λ(1310TX/1550RX)

1510

1550

1590

nm

λ(1550TX/1310RX)

1260

1310

1360

µçѧ²ÎÊý

²î·ÖÊä³öµçѹ

VOH –VOL

0.4

-

2

V

ÎüÊÕSDָʾµçѹ

LOS

0

-

0.8

V

Normal

2.0

-

Vcc

V

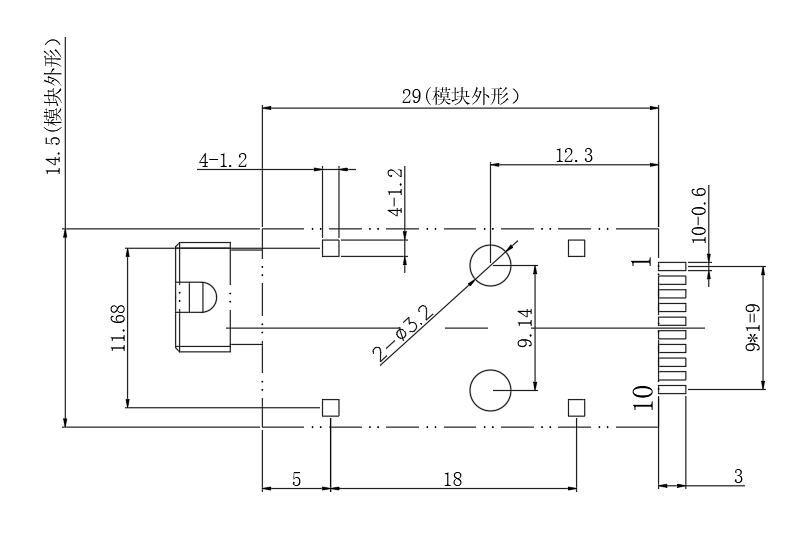
Òý½Å½ç˵ 30

Òý½ÅÐòºÅ

Ãû³Æ

¹¦Ð§

ÀàÐÍ

1

TD+

·¢ÉäͨµÀ²î·ÖÊäÈëÐźÅÕý¶Ë

CML

2

VEETX

·¢Éä¶Ë²Î¿¼µØ

N/A

3

TD-

·¢ÉäͨµÀ²î·ÖÊäÈëÐźŸº¶Ë

CML

4

VCCTX

·¢Éä¶ËµçÔ´

N/A

5

SD

Ðźżì²â½Å£º

¸ßµçƽ´ú±íÎüÊÕµ½ÐźÅ

µÍµçƽ´ú±íδÎüÊÕµ½ÐźÅ

LVTTL

6

TDIS

Tx½ûÓýţº

  ¸ßµçƽ£º¼¤¹âÆ÷¹Ø¶Ï

  µÍµçƽ£º¼¤¹âÆ÷Õý³£ÊÂÇé

LVTTL

7

RD+

ÎüÊÕͨµÀ²î·ÖÊä³öÐźÅÕý¶Ë

CML

8

VCCRX

ÎüÊն˵çÔ´

N/A

9

RD-

ÎüÊÕͨµÀ²î·ÖÊä³öÐźŸº¶Ë

CML

10

VEERX

ÎüÊն˲ο¼µØ

N/A

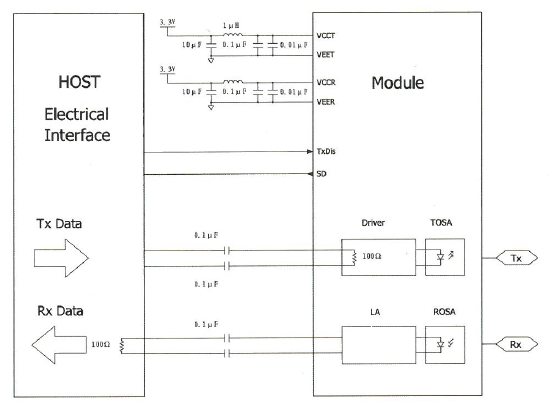
ÍâΧÉèÖÃÍÆ¼öµç·

30

Éè¼Æ×¢ÖØÊÂÏ

£¨1£©µçÔ´Â˲¨µç·Öеĵç¸ÐÒªÓÐ×ã¹»µÄ¹ýÁ÷ÄÜÁ¦£»

£¨2£©¸ßËÙÐźÅ×ßÏß°ü¹Ü²î·Ö 100Ω£»

ÐÎ×´³ß´ç 30

PCBÍÆ¼ö½á¹¹30

ÒÔÏÂÊÇÍÆ¼öµÄÓû§Ö÷°å PCB Layout Éè¼Æ·âװͼ¡£ 

×°ÖÃʾÒâͼ30

¶©¹ºÐëÖª

ÐͺÅ

·â×°

ËÙÂÊ

(Gb/s)

¾àÀë

(km)

²¨³¤

(nm)

µçѹ(V)

·¢É书ÂÊ

(dBm)

ÎüÊÕѸËÙ¶È

(dBm)

ζÈ

(¡æ)

FTFC-B1324-10-GC

FC

2.5

10

TX1310DFB/RX1550

3.3

-9.5 to 0

-18

0 ~70

FTFC-B1524-10-GC

TX1550DFB/RX1310

FTFC-B1324-10I-GC

FC

2.5

10

TX1310DFB/RX1550

3.3

-9.5 to 0

-18

-40 ~85

FTFC-B1524-10I-GC

TX1550DFB/RX1310

 

 

 

 

 

Important Notice

Performance figures,data and any illustrative material provided in this data sheet are typical and must be specifically confirmed in writing by F-tone before they become applicable to any particular order or contract. In accordance with the F-tone policy of continuous improvement specifications may change without notice.

The publication of information in this data sheet does not imply freedom from patent or other protective rights of F-tone or others. Further details are available from any F-tone sales representative.

Ììϲú»¯¹âÄ£¿é CFP2¹âÄ£¿é JYSK¹âÏËÅþÁ¬Æ÷ ˼¿Æ¹âÄ£¿é Marconi¹âÄ£¿é Test Equipment & Others ¹âÏË·¨À¼ÊÊÅäÆ÷
SFPÌìϲú¹âÄ£¿é CFP4¹âÄ£¿é J599IIIµçÅþÁ¬Æ÷ ˼¿ÆFE SFP ²©´ï¹âÄ£¿é ±£Æ«¹âÆ÷¼þ ¹âÏËÌøÏß&βÏË
1x9Ììϲú¹âÄ£¿é CFP8 400Gbps S6¾ØÐÎÅþÁ¬Æ÷ ˼¿ÆSFP+¹âÄ£¿é Íø¼þ¹âÄ£¿é In-line Depolarizer FTTAÀ­Ô¶»ùÕ¾¹âÏËÌøÏß
ÌØÖÖ¹âÄ£¿é CDFP 400Gbps S7¾ØÐÎÅþÁ¬Æ÷ ˼¿ÆXFP¹âÄ£¿é Nortel¹âÄ£¿é In-line Polarizer MPO/MTP¸ßÃܶÈϵÁÐ
25G~400G¸ßËÙ¹âÄ£¿é MicroQSFP¹âÄ£¿é GYM¹âÏËÅþÁ¬Æ÷ ˼¿ÆCFP¹âÄ£¿é Moxa¹âÄ£¿é IPBC/S ¾üÓÃÒ°Õ½·ÀË®¹âÏËÌøÏß
200km³¬³¤¾à¹âÄ£¿é DSFP¹âÄ£¿é J599III¹âÏËÅþÁ¬Æ÷ ˼¿ÆQSFP-DD ¹âÄ£¿é º£¿µÍþÊÓHIKVISION¹âÄ£¿é PBC/S ÌØÖÖ¹âÏ˹âÀÂ
5GÒÆ¶¯Í¨Ñ¶¹âÄ£¿é FT-61¹âÄ£¿é Ë®ÃܹâÀÂÅþÁ¬Æ÷ ˼¿ÆQSFP+¹âÄ£¿é McAfee¹âÄ£¿é PM BPF ÌØÖÖÏßÀÂ×é¼þ
SFP¹âÄ£¿é OLT¹âÄ£¿é ¹âÏËÅþÁ¬Æ÷ת½ÓÆ÷ ˼¿ÆGE SFP SMCÖǰî¹âÄ£¿é PM Circulator ͨÓùâÀ¹âÏËÌøÏß
1.25G SFP ONU¹âÄ£¿é FT-A4ϵÁÐÅþÁ¬Æ÷ ˼¿ÆSFP OC3 °²»ª¸ßAvago¹âÄ£¿é PM Collimator MXC? ¶àо¹âÀÂ×é¼þ
CWDM SFP PLCC¹âÄ£¿é USB¹âÏËÑÓÉìÏß Ë¼¿ÆSFP OC12 °²»ª¸ßAvago 1x9¹âÄ£¿é PM Coupler PRIZM? LIGHTTURN?×é¼þ
DWDM SFP RJ¹âÄ£¿é HDMI ˼¿ÆSFP OC48 °²»ª¸ßAvago SFF¹âÄ£¿é PM CWDM ¹âÏË»úÏä
BIDI-SFP SFF¹âÄ£¿é ÌØÖÖµçÅþÁ¬Æ÷ ˼¿ÆGBIC¹âÄ£¿é °²»ª¸ßAvago SFP¹âÄ£¿é PM DWDM SMA-ÌØÊâÏËоϵÁÐ
SGMII SFP SNAP12¹âÄ£¿é Ô²ÐÎÅþÁ¬Æ÷ ˼¿ÆX2¹âÄ£¿é °²»ª¸ßAvago QSFP28 ¹âÄ£¿é PM Faraday mirror ÌØÊâÌÖÂÛϵÁÐ
Video SFP¹âÄ£¿é USOT¹âÄ£¿é ¾ØÐεçÅþÁ¬Æ÷ ˼¿ÆXENPAK¹âÄ£¿é °²»ª¸ßAvago QSFP+¹âÄ£¿é PM Fiber mirror îø×°ÏµÁÐ
Copper SFP X2¹âÄ£¿é ÌØÖÖ¹âÏ˹âÀ »ªÈý¹âÄ£¿é °²»ª¸ßAvago SNAP12¹âÄ£¿é PM Filter Coupler ¹âñîºÏÆ÷Coupler
µÍ¹¦ºÄSFP Xenpak¹âÄ£¿é ÌØÖÖ¹âÏË »ªÈýSFP °²»ª¸ßAvago ÆäËû¹âÄ£¿é PM Fused Coupler ƤÏËÌøÏßϵÁÐ
SFP+¹âÄ£¿é ¹âµç±àÂëÆ÷Ä£¿é ¹âÏËÆ÷¼þ »ªÈýSFP+ °²»ª¸ß Embedded¹âÄ£¿é PM FWDM ´óоÊýϵÁÐ
CWDM SFP+ ¹âÄ£¿é²âÊÔ°å ÌØÖÖ¹âÀ¼°¹âÀÂ×é¼þ »ªÈýSFP28 ¹âÄ£¿é °²»ª¸ßFiber Optics¹âÄ£¿é PM Isolator »ØÂ·ÌøÏßϵÁÐ
DWDM SFP+ ¹âÄ£¿éÁý×Ó×ù×Ó ¹âź »ªÈýQSFP+¹âÄ£¿é Industrial Transmitters and Receivers PM Isolator WDM ±£Æ«¹âÏËϵÁÐ
BIDI SFP+ DAC ¸ßËÙÏßÀ ±ê×¼¹âñî »ªÈýQSFP28 ¹âÄ£¿é Optical Transceivers PM PLC ¹âͨѶ×é¼þ
Tunable SFP+ ¹âÏË»¬»·|¹âµç»¬»· SMA²âÊÔÏßÀ »ªÈý CFP¹âÄ£¿é ·Éͨ¹âÄ£¿é PM Tap Isolator ¹â¸ôÀëÆ÷isolator
16GFC SFP+ ¹âÀ³µ OSA »ªÈý CXP¹âÄ£¿é Finisar¹âÄ£¿é PM Tap Isolator WDM ÆäËü¹âÆ÷¼þ
25GE SFP+ ¾üÆ·¼¶DIN¹âÄ£¿é PON BOSA »ªÈý CX4¸ßËÙµçÀ ·ÆÄáÈøFinisar SFF¹âÄ£¿é PM VOA ¿Éµ÷Â˲¨Æ÷
32GFC SFP+ ËÜÁϹâÏËÄ£¿é Pigtailed PD »ªÈýXFP yellobrik SDI¹âÄ£¿é ÆäËü±£Æ«Æ÷¼þ ¿Éµ÷Ë¥¼õÆ÷
SFP28¹âÄ£¿é Ìæ»»°²»ª¸ß¹¤ÒµµçÁ¦¹âÄ£¿é RFoG BOSA »ªÈýGE SFP ÂÞ¿ËΤ¶ûAB¹âÄ£¿é ¹â·Ö·Æ÷ À­×¶ñîºÏÆ÷
SFP56¹âÄ£¿é ¼æÈݹú²ú»¯Ìæ»»°²»ª¸ß¹âñî TO-CAN »ªÈýFE SFP Â޽ܿµ¹âÄ£¿é FBTÀ­×¶·Ö·Æ÷ ÎÞÔ´¹âÆ÷¼þ
SFP-DD¹âÄ£¿é É䯵¹âÄ£¿é ¹âÏËζȴ«¸ÐÆ÷ »ªÈýSFP STM-4 ÑлªAdvantech¹âÄ£¿é PLC ¹â·Ö·Æ÷ ·¨À­µÚÐýת¾µ
QSFP¹âÄ£¿é ΢ÐͶà·¹âÄ£¿é ¹âÏËÓ¦±ä´«¸ÐÆ÷ »ªÈýSFP STM-16 Ììϲú»¯¹âÆ÷¼þ PLCÆ½Ãæ²¨µ¼¹â·Ö·Æ÷ ²¨·Ö¸´ÓÃÆ÷
QSFP+ ¹âÄ£¿é ÌØÖÖ¹âÄ£¿é ¹âÏ˼ÓËÙÂÊ´«¸ÐÆ÷ »ªÈýGBIC¹âÄ£¿é FT-XSϵÁР¹ú²ú»¯°ëµ¼Ìå¹â·Å´óÆ÷ ¹â¿ª¹Ø AWG DWDM²¨·Ö¸´ÓÃÆ÷
QSFP28¹âÄ£¿é HPC²¢ÐйâÄ£¿é ¹âÏßѹÁ¦´«¸ÐÆ÷ »ªÈýBIDI¹âÄ£¿é ¹âÏËÕóÁÐϵÁР̽²âÆ÷ Fused WDM²¨·Ö¸´ÓÃÆ÷
QSFP56¹âÄ£¿é LC-RJ³¬Ð¡Ð͵¥Â·¹âÄ£¿é ¹âÏËÎ»ÒÆ´«¸ÐÆ÷ »ªÈýXENPAK¹âÄ£¿é ¸ßËÙÄ£¿é΢ÅþÁ¬ ¹â¹¦ÂÊ¼Æ FWDM²¨·Ö¸´ÓÃÆ÷
QSFP112 400G¹âÄ£¿é LCC48¹âÄ£¿é ¹âÏËÓ¦Á¦´«¸ÐÆ÷ »ªÈýEPON OLT SFP Ïà¹ØÍ¨Ñ¶¹âÅþÁ¬ È«¹âÏËÏàλÀ­ÉìÆ÷ Mini΢ÐÍ´Ö²¨·Ö¸´ÓÃÆ÷
QSFP224¹âÄ£¿é LC³¬¶ÌÐ͹âÄ£¿é ¹âÏË´«¸ÐÆÊÎöÒÇ Öк½¹âµç¹âÄ£¿é ¹è¹â×ÓÆ÷¼þ¹âÁ´½Ó ¹âÏË×¼Ö±Æ÷ ¹â·Ö²å¸´ÓÃÆ÷
QSFP-DD¹âÄ£¿é SNAP12¹âÄ£¿é ¹âÏËÂþÑÜʽ²âÎÂÖ÷»ú ÖÐÐ˹âÄ£¿é Bio-Medical Equipment ¹âË¥¼õÆ÷ϵÁÐ ÆäËüÖÖÀನ·Ö¸´ÓÃÆ÷²úƷϵÁÐ
QSFP-DD800¹âÄ£¿é ΢Ð͹âÄ£¿é ¹âÏ˲¼ÀïÔ¨ÐźŽâµ÷ÒÇ Èñ½Ý¹âÄ£¿é Components for Fiber Laser ¹âÆ«Õñ¿ØÖÆÆ÷ ÷缯²¨·Ö¸´ÓÃÆ÷
OSFP 400Gbps ΢ÐͿɲå°ÎBGA¹âÄ£¿é ÂþÑÜʽ¹âÏËÉùÕñÐźŽâµ÷ÒÇ »ÝÆÕ¹âÄ£¿é Components for Fiber sensing ¹âÔ´ ´Ö²¨·Ö¸´ÓÃÆ÷
OSFP 800G¹âÄ£¿é ±íÌùʽµ¥Â·¹âÄ£¿é Camera Link ÉñÖÝÊýÂë¹âÄ£¿é Components for Optical Network ¹â»·ÐÐÆ÷Circulator WDMÄ£¿é
OSFP 1.6T¹âÄ£¿é ÌØÖÖ¹âÏËÅþÁ¬Æ÷ ¹âÄ£¿é֪ʶ Juniper¹âÄ£¿é EDFA¹âÏË·Å´óÆ÷ ¹âÏËÑÓ³ÙÏß Â˲¨Æ÷
HSFP 1.6T~12.8T¹âÄ£¿é J599¹âÏ˲åÍ·²å×ù »ªÎª¹âÄ£¿é Extreme¹âÄ£¿é ¹âÏË´«¸ÐÆ÷ ɫɢÅ⳥ģ¿é µûÐμ¤¹âÆ÷
XFP¹âÄ£¿é ODC¹âÏËÅþÁ¬Æ÷ϵÁÐ »ªÎªGE SFP Brocade¹âÄ£¿é High power Component ¹âÏË·Å´óÆ÷ ¹âñîºÏÆ÷&·Ö·Æ÷
CWDM XFP ÆäËûÌØÖÖ¹âÏËÅþÁ¬Æ÷ »ªÎªQSFP+¹âÄ£¿é D-Link¹âÄ£¿é HP In-line Polarizer ÎÞÔ´´«Êäת»»Æ÷ ¹âÏË»·ÐÎÆ÷&·¨À­µÚÐýת¾µ
DWDM XFP Ò°Õ½¹âÏËÅþÁ¬Æ÷ »ªÎªSFP+ ºÕ˼Âü¹âÄ£¿é HP Isolator ¹âÏ˼¤¹âÆ÷ ¹âÏ˸ôÀëÆ÷&²¨·Ö¸´ÓÃÆ÷
BIDI XFP ÌØÖÖ¹âµçÅþÁ¬Æ÷ »ªÎªQSFP28 °¢¶û¿¨ÌØÀÊѶ¹âÄ£¿é HP PBC/S ¹âµ÷ÖÆÆ÷ ¹âÏË·ÖÊøÆ÷&ºÏÊøÆ÷£¨PBS/PBC£©
1x9¹âÄ£¿é J599IIIÆéá«Æµ»ì×°ÅþÁ¬Æ÷ »ªÎªFE SFP Allied Telesis¹âÄ£¿é Pump Combiner ¹âµç̽²âÆ÷ ¹âÏ˹âÕ¤
CSFP¹âÄ£¿é NGC¹âÏËÅþÁ¬Æ÷ »ªÎªXFP Foundry¹âÄ£¿é HP Circulator ¹âÏËÆ«Õñ ¸ßËÙÏßÀÂ
CSFP+10G¹âÄ£¿é J599A6¹âÏËÅþÁ¬Æ÷ »ªÎªSFP OC12 Force10¹âÄ£¿é Pump laser protector ¹âÏËÂ˲¨Æ÷
CXP¹âÄ£¿é GYMB¹âÏËÅþÁ¬Æ÷ »ªÎªGBIC¹âÄ£¿é Blade¹âÄ£¿é Hybrid for EDFA ͬÖἤ¹âÆ÷
CFP¹âÄ£¿é J599III¹âµçÅþÁ¬Æ÷ »ªÎªSFP STM16 Linksys¹âÄ£¿é Test Equipment & Others ͬÖáµçÀÂ

028-85255257 | sales@f-tone.com

±ê׼ЭÒé¹âÄ£¿é²úÆ·

¼æÈÝЭÒé¹âÄ£¿é

ÆäËüÖÖÀà¹âÆ÷¼þ

ÊÖÒÕÖ§³Ö

¡¾ÍøÕ¾µØÍ¼¡¿¡¾sitemap¡¿