
¼æÈݰ²»ª¸ßAFBR-1629Z£¨beat365FTBR-1629Z£©
²úÆ·ÏÈÈÝ
FTBR-1629Z/2529SIZϵÁйâÏËÊÕ·¢Æ÷¼þ£¬¿ÉÅäºÏ650nmËÜÁϹâÏËʹÓã¬Îª¹¤Òµ¡¢·¢µç¡¢Ò½ÁÆ¡¢½»Í¨ºÍÓÎÏ·Ó¦ÓõÈÁìÓòÌṩ¸ßÐÔÄܵͱ¾Ç®µÄ¹âÏËͨѶÁ´Â·¡£
FTBR-1629Z/2529SIZÓëAVAGOµÄAFBR-1629Z/2529SIZϵÁвúÆ·ÍêÈ«¼æÈÝ£¬Ö§³Ö¹¤Òµ±ê×¼µÄËÜÁϹâÏ˽ӿڣ¬Ìṩˮƽ½á¹¹¡£FTBR-1629Z/2529SIZÄܹ»ÊÊÅäÖ±¾¶1mmµÄËÜÁϹâÏ˺ÍÖ±¾¶200μmµÄPCS¹âÏË£¬´îÅä1mmÖ±¾¶µÄËÜÁϹâÏËʹÓ㬿ÉʵÏÖ×îС50Ã׵Ĵ«Êä¾àÀë¡£
FTBR-1629ZΪ·¢ÉäÆ÷£¬ÓÉÒ»¿Å·åÖµ²¨³¤Îª650nmµÄ¸ß¹¦ÂÊLEDоƬºÍÆäÇý¶¯Ð¾Æ¬·â×°¶ø³É£¬ÅäºÏ1mmо¾¶µÄËÜÁϹâÏËÔÚ5VµçÔ´µçѹÏÂÊä³ö¹â¹¦Âʵ䷶ֵΪ-2dBm¡£FTBR-2529SIZΪÎüÊÕÆ÷£¬ÓÉÒ»¿Å¼¯³É¹âµç¶þ¼«¹ÜµÄ¸ßÔöÒæ¿ç×è·Å´óÆ÷×é³É£¬Êä³ö¼¶Îª¹ìµ½¹ì½á¹¹£¬×îÖÕÊä³öTTLµçƽ£¬Ìṩ¹¦Âʼà²â¹¦Ð§¡£ÎªÁËÌá¸ßÎüÊÕÆ÷Êä³öÂö¿íµÄÎȹÌÐÔ£¬ÎüÊÕоƬÉè¼ÆÁË×Ô¶¯Âö¿íУ׼µç·£¬Âö¿íÊ§ÕæÔÚ±4nsÒÔÄÚ¡£
²úÆ·ÌØµã
?Êý¾Ý´«ÊäËÙÂÊ£ºDC-50MBd
?´«Êä¾àÀë×îСֵ£º50Ã×
?Êä³ö²¨ÐÎÂö¿íÎȹÌ
?ÊÂÇéζȹæÄ££º-40¡æÖÁ 85¡æ
?ÇÐºÏ RoHS ±ê×¼
?RSSI¹¦Âʼà²â
?ÊÊÅä¶àÖÖ¹âÏË
²úÆ·Ó¦ÓÃ
?¹¤³§×Ô¶¯»¯
?¾ÖÓòÍøÂç
?ÒôÊÓÆµÓ¦ÓÃ/ÓÎÏ·Ó¦ÓÃ
?¹¤ÒµÍøÂçºÍÏÖ³¡×ÜÏß
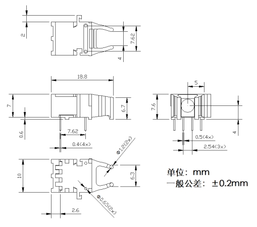
ÐÎ×´³ß´çͼ£¨FTBR-1629Z£©
ÐÎ×´³ß´çͼ£¨FTBR-2529SIZ£©
²úÆ·ÐͺÅÁбí
|
²úÆ·ÐͺŠ|
˵Ã÷ |
|
FTBR-1629Z |
·¢ÉäÆ÷¼þ |
|
FTBR-2529SIZ |
ÎüÊÕÆ÷¼þ |
×¢£º±¾²úÆ·ÓÐÌìϲú»¯ÐͺſÉÑ¡
±¾²úƷΪFTBRϵÁУ¬½öչʾ²¿·Ö²ÎÊý£¬ÈôÓÐÐèÒª£¬ÇëÁªÏµbeat365¡£
Important Notice
Performance figures, data and any illustrative material provided in this data sheet are typical and must be specifically confirmed in writing by F-tone Networks before they become applicable to any particular order or contract. In accordance with the F-tone Networks policy of continuous improvement specifications may change without notice.
The publication of information in this data sheet does not imply freedom from patent or other protective rights of F-tone Networks or others. Further details are available from any F-tone Networks sales representative.