
²úÆ·ÏÈÈÝ
FTBR-2418TZϵÁйâÏËÊÕ·¢Æ÷¼þ£¬ÅäºÏFTBR-1414TZºÍ850nm¶àÄ£¹âÏËʹÓã¬Îª¹¤Òµ¡¢·¢µç¡¢Ò½ÁÆ¡¢½»Í¨ºÍÓÎÏ·Ó¦ÓõÈÁìÓòÌṩ¸ßÐÔÄܵͱ¾Ç®µÄ¹âÏËͨѶÁ´Â·£¬FTBR-1414TZÔÚ60mAµçÁ÷Çý¶¯Ï£¬´«Êä¾àÀë×îСΪ2000Ãס£
FTBR-2418TZÓëAVAGOµÄAFBR-2418ϵÁвúÆ·ÍêÈ«¼æÈÝ£¬Ö§³Ö¹¤Òµ±ê×¼µÄST¹âÏ˽ӿڣ¬Ìṩ´øÂÝÎÆ¿ÉÑ¡¡£FTBR-2418TZÊÊÅä¶àÖÖÀà¹âÏËо¾¶µÄ¶àÄ£¹âÏË£¬°üÀ¨50/125μm£¬62.5/125μm£¬100/140μmºÍ200μm.
FTBR-2418TZÓÉÒ»¿Å¼¯³É¹âµç¶þ¼«¹ÜµÄ¸ßÔöÒæ¿ç×è·Å´óÆ÷×é³É£¬Êä³öΪCMOS/TTLÂß¼Êä³ö£¬Ìṩ¹¦Âʼà²â¹¦Ð§£¨RSSI£©¡£ÎªÁËÌá¸ßÎüÊÕÆ÷Êä³öÂö¿íµÄÎȹÌÐÔ£¬ÎüÊÕоƬÉè¼ÆÁË×Ô¶¯Âö¿íУ׼µç·£¬Âö¿íÊ§ÕæÔÚ±5nsÒÔÄÚ¡£
²úÆ·ÌØµã
¡ñ Êý¾Ý´«ÊäËÙÂÊ£ºDC-50MBd
¡ñ ´«Êä¾àÀë×îСֵ£º2000Ã×
¡ñ Êä³ö²¨ÐÎÂö¿íÎȹÌ
¡ñ ÌṩRSSI¼à²â
¡ñ Öª×㹤ҵ¼¶Î¶ȹæÄ££º-40¡æÖÁ 85¡æ
¡ñ ÇÐºÏ RoHS ±ê×¼
¡ñ µçÔ´µçѹ֧³Ö3.3VºÍ5V
¡ñ STÌÖÂÛ´øÂÝÎÆ¿ÉÑ¡
²úÆ·Ó¦ÓÃ
¡ñ ¹¤³§×Ô¶¯»¯
¡ñ ¾ÖÓòÍøÂç
¡ñ ÒôÊÓÆµÓ¦ÓÃ/ÓÎÏ·Ó¦ÓÃ
¡ñ ¹¤ÒµÍøÂçºÍÏÖ³¡×ÜÏß
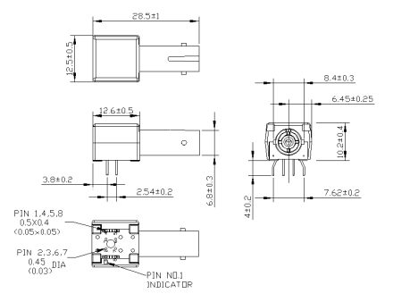
ST½Ó¿ÚÐÎ×´³ß´çͼ£¨FTBR-2418Z£©

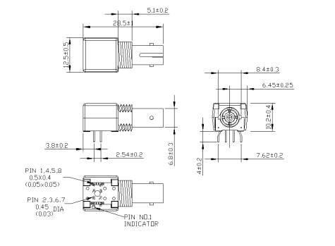
´øÂÝÎÆµÄST½Ó¿ÚÐÎ×´³ß´çͼ£¨FTBR-2418TZ£©

²úÆ·ÐͺÅÁбí
|
²úÆ·ÐͺŠ|
˵Ã÷ |
|
FTBR-2418Z |
ÎüÊÕÆ÷¼þ£¬ST½Ó¿Ú |
|
FTBR-2418TZ |
ÎüÊÕÆ÷¼þ£¬´øÂÝÎÆµÄST½Ó¿Ú |
±¾²úƷΪFTBRϵÁУ¬½öչʾ²¿·Ö²ÎÊý£¬ÈôÓÐÐèÒª£¬ÇëÁªÏµbeat365¡£
Important Notice
Performance figures, data and any illustrative material provided in this data sheet are typical and must be specifically confirmed in writing by F-tone Networks before they become applicable to any particular order or contract. In accordance with the F-tone Networks policy of continuous improvement specifications may change without notice.
The publication of information in this data sheet does not imply freedom from patent or other protective rights of F-tone Networks or others. Further details are available from any F-tone Networks sales representative.