
¼æÈݰ²»ª¸ßAFBR-2521CZ£¨beat365FTBR-2521CZ£©
²úÆ·ÏÈÈÝ
FTBR-1521CZ/2521CZϵÁйâÏËÊÕ·¢Æ÷¼þ£¬¿ÉÅäºÏ650nmËÜÁϹâÏËʹÓã¬Îª¹¤Òµ¡¢·¢µç¡¢Ò½ÁÆ¡¢½»Í¨ºÍÓÎÏ·Ó¦ÓõÈÁìÓòÌṩ¸ßÐÔÄܵͱ¾Ç®µÄ¹âÏËͨѶÁ´Â·£¬ÊÂÇéζȵִïÁË95¡æ¡£
FTBR-1521CZ/2521CZÓëAVAGOµÄAFBR-1521CZ/2521CZϵÁвúÆ·ÍêÈ«¼æÈÝ£¬Ö§³Ö¹¤Òµ±ê×¼µÄËÜÁϹâÏ˽ӿڣ¬Ìṩˮƽ½á¹¹¡£FTBR-1521CZ/2521CZÄܹ»ÊÊÅäÖ±¾¶1mmµÄËÜÁϹâÏ˺ÍÖ±¾¶200μmµÄPCS¹âÏË£¬´îÅä1mmÖ±¾¶µÄËÜÁϹâÏË£¬µä·¶´«Êä¾àÀë¿ÉÒÔµÖ´ï110Ãס£
FTBR-1521CZΪ·¢ÉäÆ÷£¬ÓÉÒ»¿Å·åÖµ²¨³¤Îª650nmµÄ¸ß¹¦ÂÊLEDоƬ·â×°¶ø³É£¬ÅäºÏ1mmо¾¶µÄËÜÁϹâÏËÔÚ30mAµçÁ÷Çý¶¯ÏÂÊä³ö¹â¹¦Âʵ䷶ֵΪ-2dBm¡£FTBR-2521CZΪÎüÊÕÆ÷£¬ÓÉÒ»¿Å¼¯³É¹âµç¶þ¼«¹ÜµÄ¸ßÔöÒæ¿ç×è·Å´óÆ÷×é³É£¬Êä³ö¼¶Îª¹ìµ½¹ì½á¹¹£¬×îÖÕÊä³öTTLµçƽ¡£ÎªÁËÌá¸ßÎüÊÕÆ÷Êä³öÂö¿íµÄÎȹÌÐÔ£¬ÎüÊÕоƬÉè¼ÆÁË×Ô¶¯Âö¿íУ׼µç·£¬Âö¿íÊ§ÕæÔÚ±30nsÒÔÄÚ¡£
²úÆ·ÌØµã
¡ñ Êý¾Ý´«ÊäËÙÂÊ£ºDC-5MBd
¡ñ µçÔ´µçѹ֧³Ö3.3VºÍ5V
¡ñ µä·¶´«Êä¾àÀ룺110Ã×£¨ÊÊÅä1mmËÜÁϹâÏË£©
¡ñ Êä³ö²¨ÐÎÂö¿íÎȹÌ
¡ñ ÊÂÇéζȹæÄ££º-40¡æÖÁ 95¡æ
¡ñ ÇÐºÏ RoHS ±ê×¼
²úÆ·Ó¦ÓÃ
¡ñ ¹¤³§×Ô¶¯»¯
¡ñ ¾ÖÓòÍøÂç
¡ñ ÒôÊÓÆµÓ¦ÓÃ/ÓÎÏ·Ó¦ÓÃ
¡ñ ¹¤ÒµÍøÂçºÍÏÖ³¡×ÜÏß
¡ñ ¸ßѹ¸ôÀë
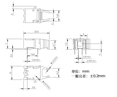
ÐÎ×´³ß´çͼ£¨FTBR-1521CZ/2521CZ£©
²úÆ·ÐͺÅÁбí
|
²úÆ·ÐͺŠ|
˵Ã÷ |
|
FTBR-1521CZ |
·¢ÉäÆ÷¼þ |
|
FTBR-2521CZ |
ÎüÊÕÆ÷¼þ |
×¢£º±¾²úÆ·ÓÐÌìϲú»¯ÐͺſÉÑ¡
±¾²úƷΪFTBRϵÁУ¬½öչʾ²¿·Ö²ÎÊý£¬ÈôÓÐÐèÒª£¬ÇëÁªÏµbeat365¡£
Important Notice
Performance figures, data and any illustrative material provided in this data sheet are typical and must be specifically confirmed in writing by F-tone Networks before they become applicable to any particular order or contract. In accordance with the F-tone Networks policy of continuous improvement specifications may change without notice.
The publication of information in this data sheet does not imply freedom from patent or other protective rights of F-tone Networks or others. Further details are available from any F-tone Networks sales representative.