
¼æÈݰ²»ª¸ßHCPL-5531
²úÆ·ÐÎò
FCPL-5531 Ð͹âµçñîºÏÆ÷ÊÇÓÉÁ½¸öºìÍâ·¢¹â¶þ¼«¹ÜºÍÁ½¸ö¹âÃôоƬ×é³ÉµÄ˫ͨµÀ¹âµçñîºÏÆ÷£¬ÓÐÌÕ´É/ËÜ·â¿ÉÑ¡£¬ÓÐÉÌÒµ¼¶/¹¤Òµ¼¶/¾üÆ·¼¶¿ÉÑ¡¡£
²úÆ·ÌØµã
¡ñ ´«ÊäËÙÂÊ£º×î´óÖµ1MBd
¡ñ ¼¯µç¼«¿ªÂ·Êä³ö
¡ñ ¼æÈÝÍâÑó²úÆ·£ºHCPL-5531
²úÆ·Ó¦ÓÃ
¡ñ Êý×ÖÐźŸôÀëÓë´«Êä
¡ñ ¿ª¹ØµçÔ´
¡ñ ΢»úϵͳ½Ó¿Ú
¡ñ ÊýÄ£ºÍÄ£Êý(A/D¡¢D/A)ת»»
¡ñ ¸ßËÙÂß¼µç·µÄϵͳ¸ôÀë
¡ñ ¹²µØ×ÌÈÅÈŵĸôÀë
¡ñ ¶à·Êý¾Ý´«Êä
¡ñ Ìæ»»Âö³å±äѹÆ÷
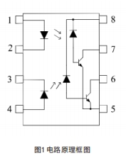
µç·ÔÀí¿òͼ




×¢ÖØÊÂÏî
1.ÊÔÑé×°±¸ºÍÓþßÓ¦½ÓµØ£¬²»¿ÉÖ±½Ó´¥ÃþÆ÷¼þÒýÏߣ»
2.Æ÷¼þÓ¦ÔÚ·À¾²µçµÄÊÂÇę́ÉϲÙ×÷£»
3.Æ÷¼þÓ¦´æ·ÅÔÚ·À¾²µçÈÝÆ÷ÖÐ(È磺¼¯³Éµç·רÓúÐ);
4.Éú²ú¡¢²âÊÔ¡¢Ê¹ÓÃÒÔ¼°×ªÔËÀú³ÌÖÐÓ¦×èֹʹÓÃÒýÆð¾²µçµÄËÜÁÏ¡¢Ï𽺻ò˿֯Î
5.Ïà¶Ôʪ¶È¾¡¿ÉÄܼá³ÖÔÚ50%ÒÔÏ£»
6.È¡ÓÃʱ×èÖ¹ÓÃÁ¦¹ýÃÍ»òÓÃÁ¦²»¾ùÔì³ÉµÄÆ÷¼þË𻵡£
×¢£º±¾²úƷΪÌìϲú
Important Notice
Performance figures, data and any illustrative material provided in this data sheet are typical and must be specifically confirmed in writing by F-tone Networks before they become applicable to any particular order or contract. In accordance with the F-tone Networks policy of continuous improvement specifications may change without notice.
The publication of information in this data sheet does not imply freedom from patent or other protective rights of F-tone Networks or others. Further details are available from any F-tone Networks sales representative.