
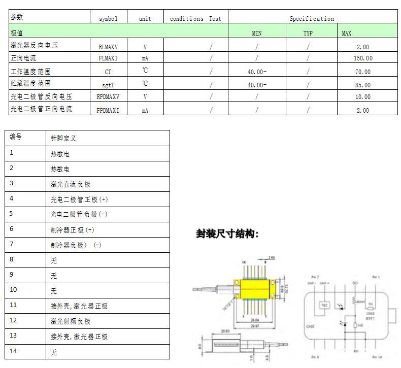
DFB-1260-1650nmµûÐμ¤¹âÆ÷
ÂþÑÜ·´ÏìÊ½ÌØ¶¨²¨³¤¼¤¹âÆ÷£º
¡ñ Êä³ö¹â¹¦ÂÊ:10.00mw
¡ñ ÄÚÖùâ¸ôÀëÆ÷,ÖÆÀäµÄ14½ÅµûÐÎÍâ¿Ç,
¡ñ βÏËÀàÐÍ:ģβÏË¡¢900um½ôÌ×¹Ü,
¡ñ βÏ˳¤¶È:00+0.10m£¬
¡ñ ÅþÁ¬Æ÷ÀàÐÍ:»§¿ÉÑ¡.
ÊÂÇéζȣ¨¶àÖÖζȼ¶±ð¿ÉÑ¡£©£º
¡ñ ÉÌÓü¶£º0~+7¶È
¡ñ À©Õ¹¼¶£º-10~+80¶È
¡ñ ¹¤Òµ¼¶£º-40~+85¶È
¡ñ ¾üÆ·¼¶£º-55~+85¶È

Important Notice
Performance figures, data and any illustrative material provided in this data sheet are typical and must be specifically confirmed in writing by F-tone Networks before they become applicable to any particular order or contract. In accordance with the F-tone Networks policy of continuous improvement specifications may change without notice.
The publication of information in this data sheet does not imply freedom from patent or other protective rights of F-tone Networks or others. Further details are available from any F-tone Networks sales representative.