
Double Transmitter SFP+ 10Gb/s 10km with DDMI
FTCS-2T131X-10Dxx transmitter is small form factor pluggable module for double fiber optical data communications. It’s compatible with SFF-8431 Rev4.1 Multi- Sourcing Agreement (MSA). It’s RoHS compliant and lead-free per Directive 2002/95/EC. The digital diagnostics functions are compliant with SFF-8472, which are available via the 2-wire serial bus specified in the SFP+ MSA.
Features:
¡ñ 1310nm DFB Laser Transmitter
¡ñ Double Transmitter
¡ñ SFP+ Multi-source Package Duplex LC Connector
¡ñ Up to 10Gb/s Data Links and 10km on 9/125um SMF
¡ñ Hot-Pluggable Capability with SFP+ form factor
¡ñ Single +3.3V Power Supply
¡ñ Compliant with Specifications for IEEE802.3ae
¡ñ Compliant with Bellcore TA-NWT-000983
¡ñ Eye Safety Designed to Meet Laser Class1
¡ñ Compliant with SFF-8431 and SFF-8432
¡ñ Operating Case Temperature:
Standard : 0 to +70°C
Industrial : -40 to +85°C
Applications:
¡ñ 10G Base- LR/LW
¡ñ Other optical links
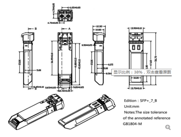
Mechanical Specifications

Order Information
|
Part No. |
Bit Rate (Gbps) |
Laser(nm) |
Distance [note2] |
Fiber Type |
DDMI |
Connector |
Temp [note1] |
|
FTCS-2T131X-10D |
10.3125 |
1310 |
10km |
SMF |
YES |
LC |
0¡æ~+70¡æ |
|
FTCS-2T131X-10DI |
10.3125 |
1310 |
10km |
SMF |
YES |
LC |
-40¡æ~+85¡æ |
×¢£º±¾²úÆ·ÓÐÌìϲú»¯ÐͺſÉÑ¡
±¾²úƷΪSFP+ϵÁйâÄ£¿é£¬ÈôÓÐÐèÒª£¬ÇëÁªÏµbeat365¡£
Important Notice
Performance figures, data and any illustrative material provided in this data sheet are typical and must be specifically confirmed in writing by F-tone Networks before they become applicable to any particular order or contract. In accordance with the F-tone Networks policy of continuous improvement specifications may change without notice.
The publication of information in this data sheet does not imply freedom from patent or other protective rights of F-tone Networks or others. Further details are available from any F-tone Networks sales representative.