
¸ßѸËÙ¶È 1310nm µûÐÎ SOA
beat365µÄ°ëµ¼Ìå¹â·Å´óÆ÷£¨SOA£©ÏµÁвúÆ·£¬Ö÷ÒªÓ¦ÓÃÓÚÖ÷ÒªÓ¦ÓÃÓÚÊý¾ÝÖÐÐÄ»¥ÁªµÈ¹âͨѶÁìÓò¡£¸ÃϵÁвúÆ·½ÓÄÉÃÜ·âµÄÎÞ»ú·â×°ÊÖÒÕ£¬°ü¹ÜÁ˲úÆ·µÄ¿É¿¿ÐÔ¡£
²úÆ·ÌØÕ÷£º
¡ñ µÍÔëÉù¡¢¸ßѸËÙ¶È£¬¿ÉÖª×ã PON ÉÏÐÐÓªÒµ·Å´óÐèÇó
¡ñ µÍ¹¦ºÄ¡¢¸ßÏßÐÔ¶È£¬¿ÉÖª×ãÊý¾ÝÖÐÐÄ»¥ÁªµÈ¸ßËÙÓªÒµ·Å´óÐèÇó
¡ñ Ììϲú»¯²úÆ·£¬½»¸¶ÊµÊ±
¡ñ ¶¨ÖÆ»¯Ð§ÀÍ£º¿ÉÖ§³Ö±£Æ«¡¢¼¯³É¸ôÀëÆ÷¡¢¼¯³É PD ¹â¹¦ÂÊ¼à¿ØµÈ¸ü¸ß¼¯³É¶ÈµÄÆ÷¼þ¶©ÖÆ
²úÆ·Ó¦Óãº
¡ñ Êý¾ÝÖÐÐÄ»¥Áª£¬¸ßËÙ¹âÓªÒµ·Å´ó
²úÆ·¹æ¸ñ
µä·¶ÌØÕ÷
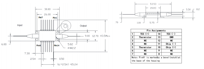
½á¹¹³ß´çºÍ¹Ü½Å½ç˵
¶©»õÐÅÏ¢

±¾²úƷΪFT-XSϵÁУ¬½öչʾ²¿·Ö²ÎÊý£¬ÈôÓÐÐèÒª£¬ÇëÁªÏµbeat365¡£
Important Notice
Performance figures, data and any illustrative material provided in this data sheet are typical and must be specifically confirmed in writing by F-tone Networks before they become applicable to any particular order or contract. In accordance with the F-tone Networks policy of continuous improvement specifications may change without notice.
The publication of information in this data sheet does not imply freedom from patent or other protective rights of F-tone Networks or others. Further details are available from any F-tone Networks sales representative.