
²úÆ·ÐÎò
HT6311/HT6311TϵÁйâµçñîºÏÆ÷ÊǽÓÄÉCLCC·â×°µÄµ¥Í¨µÀ¸ßËÙͼÌÚÖùͬÏàÊä³öÐ͹âñ´«ÊäËÙÂʵִï50Mb/s¡£HT6311Ö´ÐÐGJB 8119-2013¡¶°ëµ¼Ìå¹âµç×ÓÆ÷¼þͨÓù淶¡·£¬¿É¹©Ñ¡ÔñµÄÖÊÁ¿Æ·¼¶ÎªG1¡¢G2¡¢G3;HT6311TΪ¹¤Òµ¼¶²úÆ·£¬¿Éƾ֤ÊÖÒÕÌõ¼þÔöÌíɸѡÏîÄ¿¡£

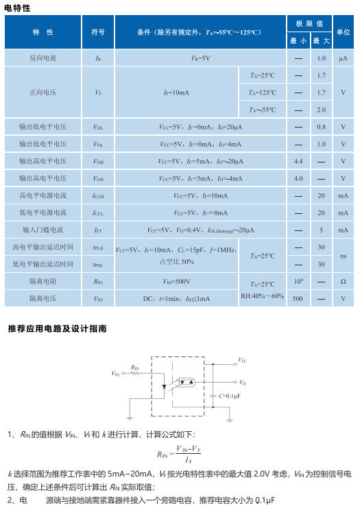
±¾²úƷΪFT-Y3ϵÁУ¬½öչʾ²¿·Ö²ÎÊý£¬ÈôÓÐÐèÒª£¬ÇëÁªÏµbeat365¡£
beat365 | F-tone Networks
ÆóÒµÓÊÏ䣺sales@f-tone.com
ÆóÒµÍøÕ¾£ºwww.f-tone.com
ÆóÒµÍøÕ¾£ºwww.sfpgmk.com
ÆóÒµµç»°£º028-85255257
Important Notice
Performance figures, data and any illustrative material provided in this data sheet are typical and must be specifically confirmed in writing by F-tone Networks before they become applicable to any particular order or contract. In accordance with the F-tone Networks policy of continuous improvement specifications may change without notice.
The publication of information in this data sheet does not imply freedom from patent or other protective rights of F-tone Networks or others. Further details are available from any F-tone Networks sales representative.