
JF6ϵÁоØÐÎÊèÉ¢µçÅþÁ¬Æ÷
¡ñÊÊÓÃÓÚÕ½ÂÔÕ½ÊõÎäÆ÷ϵͳ¡¢º½ÌìÔËÔØÏµÍ³¼¶¼äµÄµçÆøÅþÁ¬,ÒÔ¼°ÖÖÖÖµçÆ÷ϵͳ¡¢µç×Ó×°±¸µÈϵͳ֮¼äµÄµçÆøÏß·ÅþÁ¬,²¢¿É×÷˲¼äÊèÉ¢
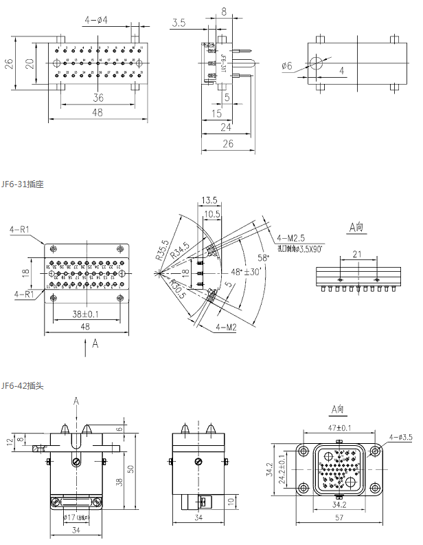
¡ñÅþÁ¬·½·¨ÎªÖ±²åʽ,ÊèÉ¢·½·¨ÎªÖáÏòÖ±°ÎÊèÉ¢
¡ñ²úÆ·Ìå»ýС,ÖØÁ¿Çá,½á¹¹¼òÆÓ,ÐÔÄܿɿ¿,ÆäÖÐJF6-42ºÍ JF6-76²å×ù²åºÏÃæ¿ÉÄÍ˲ʱ¸ßλðÑæ¡£
ʹÓÃÇéÐÎÌõ¼þ
ÊÂÇéζÈ: -55¡æ¡«100¡æ£¨31оΪ-40¡æ¡«85¡æ£©
Ïà¶Ôʪ¶È: 40±2¡æÊ±Ïà¶Ôʪ¶È90%¡«95%
ÊÂÇéÆøÑ¹: 101.33kPa¡«6.7Pa
ÕýÏÒÕñ¶¯: 10¡«2000Hz ¼ÓËÙÂÊ150m/s2£¨31о£©
10¡«2000Hz ¼ÓËÙÂÊ200m/s2£¨76о£©
Ëæ»úÕñ¶¯: ¹¦ÂÊÆ×ÃܶÈ0.2G2/Hz
×ܼÓËÙÂʾù·½¸ùÖµ16.4G£¨42о£©
¹¦ÂÊÆ×ÃܶÈ0.3G2/Hz
×ܼÓËÙÂʾù·½¸ùÖµ20G£¨76о£©
³å »÷ ¼ÓËÙÂÊ1000m/s2£¨31оΪ500m/s2£©
¼Ó ËÙ ¶È ¼ÓËÙÂÊ500m/s2£¨76оΪ200m/s2£©
Ö÷ÒªÊÖÒÕÌØÕ÷:

Ö´Ðбê×¼
Q/Ag1.076-2001¡¶JF6-31ÊèÉ¢µçÅþÁ¬Æ÷ÖÆÔìÓëÑéÊչ淶¡·
Q/Ag1.076.2-2005¡¶JF6-42ÊèÉ¢µçÅþÁ¬Æ÷Ïêϸ¹æ·¶¡·
Q/Ag1.076.1-97¡¶JF6-76¾ØÐÎÊèÉ¢µçÅþÁ¬Æ÷Ïêϸ¹æ·¶¡·

¢Ù ¾ØÐÎÊèÉ¢µçÅþÁ¬Æ÷
¢Ú Éè¼ÆÐòºÅ
¢Û Ë¢ÐÂÐÍ
¢Ü оÊý: 31¡¢42¡¢76
¢Ý µçÅþÁ¬Æ÷ÖÖ±ð: T-²åÍ·,Z-²å×ù
¢Þ ½Ó´¥¼þÖÖ±ð: J-²åÕë,K-²å¿×¡££¨31о±¾Ïî²»±ê×¢£©
ÐÎ×´¼°×°Öóߴç:



²Ù×÷ÒªÁì
×°ÖÃ:
a£© FT-75-JF6-31×°ÖÃʱ,ÓÃÂݶ¤½«²å×ù×°ÖÃÔÚµ¯ÌåÉÏ,ʹ²å×ùÉÏÓë²åÍ·¶Ô½ÓµÄÍâòÓ뵯ÌåÍâÍâòƽÆë£¨ÔÊÐíÉÔ°¼½øµ¯Ìå,µ«²»µÃ͹³ö£©¡£²åÍ·µÄÀο¿ÔòʹÓòåÍ·ÉϵÄËĸö´îÖù¡£²åÍ·Óë²å×ù²åºÏ,±ØÐèÓÐÍâÁ¦×÷ÓÃ,ÒÔ°ü¹Ü²åÍ·Óë²å×ùÔÚÇéÐÎÍâÁ¦×÷ÓÃϲ»»áËÉ¿ª¡£Àο¿²åÍ·µÄ²¿¼þ±ØÐèÄÜÓë²å×ùÒ»ÆðÒÆ¶¯Ò»¶¨µÄ¾àÀë,ÒÔ°ü¹ÜÊèÉ¢¹¦Ð§µÄʵÏÖ¡£
b£©FT-75-JF6-42/JF6-76×°ÖÃʱ,ÓÃM3µÄÂݶ¤½«²å×ù»ò²åÍ·»®·Ö×°Öõ½¸÷×ÔµÄ×°ÖÃÃæ°åÉÏ¡£²åÊÊʱ,ÏÈÈ·ÈϲåÍ·Óë²å×ùÉϵĺìÉ«±ê¼Ç³ÉÒ»ÌõÖ±Ïß,¶ÔÆë²åÍ·Óë²å×ùµÄ´ó¡¢Ð¡2¸öµ¼Öù¡¢µ¼Ì×£¬È»ºóÔÙÓÃÁ¦½«²åÍ·Ö±ÍÆÈë²å×ù,²¢°ü¹ÜÍêÈ«²åºÏµ½Î»¡£²åºÏµÄ²åÍ·Óë²å×ù,±ØÐèÓÐÍâÁ¦×÷ÓÃ,ÒÔ°ü¹Ü²åÍ·Óë²å×ùÔÚÇéÐÎÍâÁ¦×÷ÓÃϲ»»áËÉ¿ª¡£
ÊèÉ¢:
a£© FT-75-JF6-31ÊèÉ¢¹¦Ð§µÄʵÏÖ¡£µ¼µ¯È¼ÉÕºó,Ëæ×ŵ¯ÌåÏòÇ°ÒÆ¶¯,²åÍ·Óë²å×ùÒ²Ò»ÆðÏòÇ°ÒÆ¶¯,ÔÚÏòÇ°ÒÆ¶¯µÄͬʱ,ʹÓ÷¢ÉäͲÉÏÉè¼ÆºÃµÄШÐνṹ,½«²åÍ·Óë²å×ùÏ໥¼·¿ª,µÖ´ï×îºóÊèÉ¢¡£
b£© FT-75-JF6-42/JF6-76,ÔÚ²åÍ·µÄÖáÏòÊ©¼ÓËùÐèµÄ»úеÁ¦,Ö±½Ó¿É½«²åÍ·Óë²å×ùÍÑÀë¡£
3. FT-75-JF6-42/JF6-76º¸ÏßʱÐè²ðϵçÀÂÕÖ,º¸ºÃºó,ÔÙ½«µçÀÂÕÖ×°»Ø¿ÇÌå,Å¡½ôÂݶ¤,½«µ¼ÏßÓüÐÏß°å¼Ð½ôÀο¿¡£
ÐͺŹæ¸ñ
ÏÖÔÚÒÑÓйæ¸ñÆ·ÖÖÈçÏ£ºFT-75-JF6-31T¡¢FT-75-JF6-31Z¡¢FT-75-JF6A-31T¡¢FT-75-JF6A-31Z¡¢FT-75-JF6-42TJ¡¢FT-75-JF6-42ZK¡¢FT-75-JF6-76TJ¡¢FT-75-JF6-76ZK¡£
Important Notice
Performance figures, data and any illustrative material provided in this data sheet are typical and must be specifically confirmed in writing by F-tone Networks before they become applicable to any particular order or contract. In accordance with the F-tone Networks policy of continuous improvement specifications may change without notice.
The publication of information in this data sheet does not imply freedom from patent or other protective rights of F-tone Networks or others. Further details are available from any F-tone Networks sales representative.