
JYSKÅþÁ¬Æ÷
Ò»¡¢²úÆ·ÐͺÅ
1¡¢²åÍ·ÐͺţºJYSK2M12N-T
¸Ã²åͷΪ¿¨¿Ûʽ¹âÏËÅþÁ¬Æ÷£¬¿ÉÒÔ×°ÈëMTÐ͹âÏ˽Ӵ¥¼þ£¬ÂÝĸ¼°ºóÌ׿ª²Û1.5mm£¬±ãÓÚºó×°Èë½Ó´¥¼þ¡£
2¡¢²å×ùÐͺţºJYSK2M12N05Z
¸Ã²å×ùΪ¿¨¿Ûʽ¹âÏËÅþÁ¬Æ÷£¬¿ÉÒÔ×°ÈëMTÐ͹âÏ˽Ӵ¥¼þ¡£
¶þ¡¢²úÆ·ÐÎ״ͼ
2.1 ²åÍ·ÐÎ״ͼ

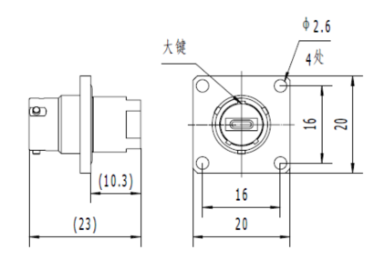
2.2 ²å×ùÐÎ״ͼ

Èý¡¢ÐÔÄÜÖ¸±ê
|
ÏîÄ¿Ãû³Æ |
Ö¸±ê |
|
²åÈëÏûºÄ |
≤0.75dB |
|
ʹÓÃÎÂ¶È |
-40——+80¡æ |
|
»úеÊÙÃü |
≥500´Î |
|
Õñ¶¯ |
10——2000Hz |
|
¹¥»÷ |
490m/ƽ·½s |
×¢£º±¾²úÆ·ÓÐÌìϲú»¯ÐͺſÉÑ¡
Important Notice
Performance figures, data and any illustrative material provided in this data sheet are typical and must be specifically confirmed in writing by F-tone Networks before they become applicable to any particular order or contract. In accordance with the F-tone Networks policy of continuous improvement specifications may change without notice.
The publication of information in this data sheet does not imply freedom from patent or other protective rights of F-tone Networks or others. Further details are available from any F-tone Networks sales representative.