RP7¹âÀÂ×é¼þ
Ò»¡¢ÐͺÅ
¢ÙRP7F21Q
ÐͺÅ˵Ã÷£º¾ØÐβå×ù£¬×°12оMT²åо¡£
¢ÚRP7F11T
ÐͺÅ˵Ã÷£º¾ØÐβåÍ·£¬ÊÊÅä3.5mm¹âÀ£¬×°24оMT¡£
¶þ¡¢²úÆ·ÐÎ×´¼°³ß´ç
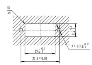
1¡¢RP7F21Q
£¨1£©ÐÎ״ͼ
£¨2£©×°Öóߴ磺°åºó×°ÖÃ
2¡¢RP7F11T
£¨1£©²åÍ·ÐÎ״ͼ
Èý¡¢²úÆ·ÐÔÄÜ
|
ÏîÄ¿ |
²ÎÊý |
|
¹âѧÐÔÄÜ |
µ¥Ä£IL≤1dB£¬¶àÄ£IL≤0.8dB |
|
Õñ¶¯ |
ƵÂÊ10¡«2000Hz£¬¹¦ÂÊÆ×ÃܶÈ0.06g2/Hz |
|
¹¥»÷ |
·åÖµ¼ÓËÙÂÊ490m/s2 |
|
»úеÄ;ÃÐÔ |
≥500´Î |
|
ÑÎÎí |
96h |
|
ÊÂÇéÎÂ¶È |
-40¡æ¡«+85¡æ |
×¢£º±¾²úÆ·ÓÐÌìϲú»¯ÐͺſÉÑ¡
Important Notice
Performance figures, data and any illustrative material provided in this data sheet are typical and must be specifically confirmed in writing by F-tone Networks before they become applicable to any particular order or contract. In accordance with the F-tone Networks policy of continuous improvement specifications may change without notice.
The publication of information in this data sheet does not imply freedom from patent or other protective rights of F-tone Networks or others. Further details are available from any F-tone Networks sales representative.