
Y17ϵÁÐÔ²ÐεçÅþÁ¬Æ÷
beat365רҵÑб¬·¢²ú(Ììϲú»¯¿ÉÑ¡):Y17ϵÁÐÔ²ÐεçÅþÁ¬Æ÷, ÊÇÒ»¼ÒרҵµÄY17ϵÁÐÔ²ÐεçÅþÁ¬Æ÷³§¼Ò,¾ßÓÐÓÅÖʵÄY17ϵÁÐÔ²ÐεçÅþÁ¬Æ÷Æ·ÖÊ,¸Ã²úÆ·ÆÕ±éÓ¦ÓÃÓÚÖÖÖÖµçÆø×°±¸Ö®¼äµÄÏß·¼£½Ó£¬Æä¼£½Ó·½·¨½ÓÄÉ¿¨¿ÚÅþÁ¬£¬Ê¹ÓÃÀû±ã¡¢Ëø½ô¿É¿¿£¬ÊÊÓÃÓÚ´óµçÁ÷µçԴϵÁеÄÅþÁ¬¡£
²úÆ·ÊÖÒÕÌØÕ÷
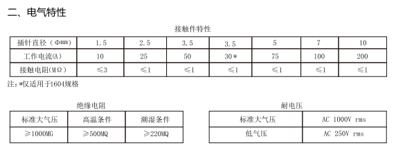
ʹÓÃÇéÐÎÌõ¼þÊÂÇéζȣº-55¡æ~+125¡æ
-55C~+175¡æ£¨½öÊÊÓÃÓÚY17-1604¹æ¸ñ£©
Ïà¶Ôʪ¶È£º40°C±2¡æÊ±£¬90%-95%
ÊÂÇéÆøÑ¹£º4.4kPa-101.33kPa
Õñ¶¯£º10Hz~2000Hz£¬¼ÓËÙÂÊ98m/s²
Åöײ£º¼ÓËÙÂÊ392m/s²
¹¥»÷£º¼ÓËÙÂÊ490m/s²
»úеÊÙÃü£º²å°Î≥500´Î




±¾²úƷΪFT-BHϵÁÐÔ²ÐεçÅþÁ¬Æ÷£¬ÈôÓÐÐèÒª£¬ÇëÁªÏµbeat365¡£
Important Notice
Performance figures, data and any illustrative material provided in this data sheet are typical and must be specifically confirmed in writing by F-tone Networks before they become applicable to any particular order or contract. In accordance with the F-tone Networks policy of continuous improvement specifications may change without notice.
The publication of information in this data sheet does not imply freedom from patent or other protective rights of F-tone Networks or others. Further details are available from any F-tone Networks sales representative.