
²úÆ·ÐÎò
¡ñ ÖÐÐÔ¿¨¿ÚÊ½Ëø½ô½á¹¹¿ÉʵÏÖÍ·Óë×ù¡¢Í·ÓëÍ·¡¢×ùÓë×ùµÄ¿ìËÙí§ÒâÅþÁ¬
¡ñ ¾ßÓжàоһ´ÎÅþÁ¬²¢¿Éä²å
¡ñ ÅþÁ¬Æ÷Íâ¿Ç½ÓÄÉÂÁºÏ½ðÑõ»¯ºÚ²ÄÖÊ£¬ÇÒÅþÁ¬ÏûºÄС¡¢¿É¿¿ÐԸߣ»½áʵ¡¢·ÀË®¡¢·À³¾¡¢Äͱ°ÁÓÇéÐεÈÌØµã
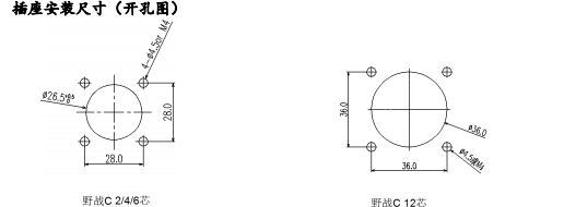
¡ñ ²úÆ·Ö÷ÒªÓÃÓÚ:ÖÖÖÖÒ°Õ½¾üÓùâÏËÍ¨Ñ¶ÍøÂç¡¢¾üÓÃÅÌËã»úϵͳ¡¢»úÔØ»ò½¢ÔØ×°±¸¡¢ÇÀÐÞ¹âÀÂϵͳµÈÒ°Íâ¹â·ÔÝʱÅþÁ¬£¬ÏÖÔÚ¹æ¸ñÓУº2о¡¢4о¡¢6о¡¢12о




×¢£º±¾²úÆ·ÓÐÌìϲú»¯ÐͺſÉÑ¡
Important Notice
Performance figures, data and any illustrative material provided in this data sheet are typical and must be specifically confirmed in writing by F-tone Networks before they become applicable to any particular order or contract. In accordance with the F-tone Networks policy of continuous improvement specifications may change without notice.
The publication of information in this data sheet does not imply freedom from patent or other protective rights of F-tone Networks or others. Further details are available from any F-tone Networks sales representative.