
¼æÈݰ²»ª¸ßHFBR-2416TZ£¨beat365FTBR-2416TZ£©
²úÆ·ÏÈÈÝ
FTBR-1413xx/2416xxϵÁйâÏËÊÕ·¢Æ÷¼þ£¬ÅäºÏ850nm¶àÄ£¹âÏËʹÓã¬Îª¹¤Òµ¡¢·¢µç¡¢Ò½ÁÆ¡¢½»Í¨ºÍÓÎÏ·Ó¦ÓõÈÁìÓòÌṩ¸ßÐÔÄܵͱ¾Ç®µÄ¹âÏËͨѶÁ´Â·£¬FTBR-1413xxÔÚ6mAµçÁ÷Çý¶¯Ï£¬Ê¹ÓÃ62.5/125μmо¾¶µÄ¶àÄ£¹âÏËÏߣ¬´«Êä¾àÀ뼫ֵ×îСΪ600Ãס£
FTBR-1413xx/2412xxÖ§³Ö¹¤Òµ±ê×¼µÄST¹âÏ˽ӿڣ¬Ìṩ´øÂÝÎÆ½Ó¿Ú»òÕß½ðÊô½Ó¿Ú¿ÉÑ¡¡£FTBR-1413xx/2412xxÊÊÅä¶àÖÖÀà¹âÏËо¾¶µÄ¶àÄ£¹âÏË£¬°üÀ¨50/125μm£¬62.5/125μm£¬100/140μmºÍ200μm.
FTBR-1413xxΪ·¢ÉäÆ÷£¬ÓÉÒ»¿Å·åÖµ²¨³¤Îª850nmµÄvcselоƬ·â×°¶ø³É£¬ÅäºÏ62.5/125μmо¾¶µÄ¶àÄ£¹âÏËÔÚ6mAµçÁ÷Çý¶¯ÏÂÊä³ö¹â¹¦Âʵ䷶ֵΪ-9dBm¡£FTBR-2416xxΪÎüÊÕÆ÷£¬ÓɸßÏìÓ¦¶È¹âµç¶þ¼«¹ÜºÍ¸ßÔöÒæ¿ç×è·Å´óÆ÷×é³É£¬Êä³öΪģÄâÐźţ¬Àû±ãºó¼¶µç·½«Æäת»¯³ÉÖª×ãÖÖÖÖ½Ó¿ÚµÄÂß¼Ðźţ¬ËÙÂÊ×î¸ß¿É´ï155MBd¡£
²úÆ·ÌØµã
?Êý¾Ý´«ÊäËÙÂÊ£ºDC-155MBd
?Öª×㹤ҵ¼¶Î¶ȹæÄ££º-40¡æÖÁ 85¡æ
?ÇÐºÏ RoHS ±ê×¼
?ÊÊÅä¶àÖÖо¾¶¹âÏË
?STÌÖÂÛ´øÂÝÎÆ»ò½ðÊô½Ó¿Ú¿ÉÑ¡
²úÆ·Ó¦ÓÃ
?¹¤³§×Ô¶¯»¯
?¾ÖÓòÍøÂç
?ÒôÊÓÆµÓ¦ÓÃ/ÓÎÏ·Ó¦ÓÃ
?¹¤ÒµÍøÂçºÍÏÖ³¡×ÜÏß
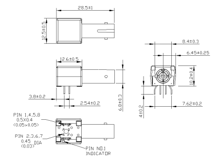
½ðÊôST½Ó¿ÚÐÎ×´³ß´çͼ£¨FTBR-1413MZ/2416MZ£©
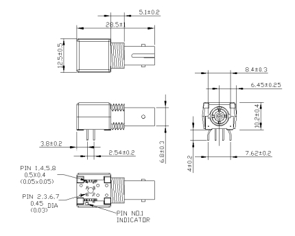
´øÂÝÎÆµÄST½Ó¿ÚÐÎ×´³ß´çͼ£¨FTBR-1413TZ/2416TZ£©
²úÆ·ÐͺÅÁбí
|
²úÆ·ÐͺŠ|
˵Ã÷ |
|
FTBR-1413TZ |
·¢ÉäÆ÷¼þ£¬´øÂÝÎÆµÄST½Ó¿Ú |
|
FTBR-2416TZ |
ÎüÊÕÆ÷¼þ£¬´øÂÝÎÆµÄST½Ó¿Ú |
|
FTBR-1413MZ |
·¢ÉäÆ÷¼þ£¬½ðÊôST½Ó¿Ú |
|
FTBR-2416MZ |
ÎüÊÕÆ÷¼þ£¬½ðÊôST½Ó¿Ú |
×¢£º±¾²úÆ·ÓÐÌìϲú»¯ÐͺſÉÑ¡
±¾²úƷΪFTBRϵÁУ¬½öչʾ²¿·Ö²ÎÊý£¬ÈôÓÐÐèÒª£¬ÇëÁªÏµbeat365¡£
Important Notice
Performance figures, data and any illustrative material provided in this data sheet are typical and must be specifically confirmed in writing by F-tone Networks before they become applicable to any particular order or contract. In accordance with the F-tone Networks policy of continuous improvement specifications may change without notice.
The publication of information in this data sheet does not imply freedom from patent or other protective rights of F-tone Networks or others. Further details are available from any F-tone Networks sales representative.