
XCAϵÁÐÔ²ÐεçÅþÁ¬Æ÷
²úÆ·¼ò½é
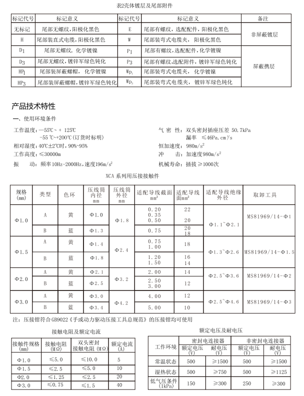
XCAϵÁеçÅþÁ¬Æ÷ÇкÏCJB2889±ê×¼£¬ÆäÅþÁ¬·½·¨Îª¿¨¿Úʽ¿ìËÙÅþÁ¬ºÍÊèÉ¢£¬¿ÉÓëKCϵÁвúÆ·½»Á÷£¬²Ù×÷Àû±ã£¬ÅþÁ¬Àο¿£¬¿¹ÕñÄͳ塣¿ÇÌåÖÊÁÏΪ¸ßÇ¿¶ÈÂĄ́½ð£¬½Ó´¥¼þÓк¸½ÓʽºÍºóËɺóжѹ½Óʽ£¬½ÓÄÉË«ÇúÃæÏ߻ɲå¿×£¬¾ßÓвå°ÎÈáºÍ¡¢½Ó´¥µç×èС¡¢·À³±¡¢·À³±¡¢·ÀÑÎÎí¡¢·Àù¾ú¡¢·ÀÁÜÓêµÈÌØÕ÷£¬ÊÊÓÃÃÀ±ê¼°º£ÄÚϸֱ¾¶µçÏߣ¬Î²²¿ÍäʽµçÀ¼ÐÓзÀת¡¢·À»ýË®¹¦Ð§¡£ÆÕ±éÓ¦ÓÃÓÚº½¿Õ¡¢º½Ìì¡¢ÎäÆ÷¡¢½¢´¬¡¢Ò°Õ½Í¨Ñ¶µÈ¾üÊÂÁìÓòÒÔ¼°ÓʵçͨѶ¡¢Ìú·¡¢ÅÌËã»ú¡¢ºÍÖÖÖÖÒÇÆ÷¡¢ÒDZíµÄÏß·ÅþÁ¬¡£







±¾²úƷΪFT-BHϵÁÐÔ²ÐεçÅþÁ¬Æ÷£¬ÈôÓÐÐèÒª£¬ÇëÁªÏµbeat365¡£
Important Notice
Performance figures, data and any illustrative material provided in this data sheet are typical and must be specifically confirmed in writing by F-tone Networks before they become applicable to any particular order or contract. In accordance with the F-tone Networks policy of continuous improvement specifications may change without notice.
The publication of information in this data sheet does not imply freedom from patent or other protective rights of F-tone Networks or others. Further details are available from any F-tone Networks sales representative.